LEMON Manuals: Even more car manuals for everyone
Home >> Kia >> 2015 >> Soul Base, Automatic Trans >> Repair and Diagnosis >> Transmission >> Transmission Control Systems >> Automatic Transaxle Control System - 1.6L >> Transaxle Control Module (TCM) >> Schematic Diagrams >> Circuit Diagram

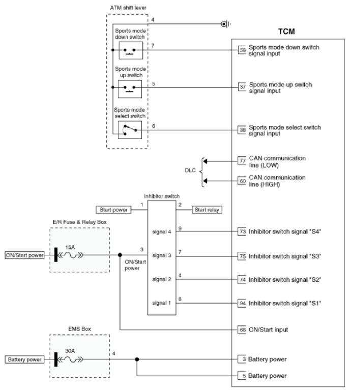
Circuit Diagram

Fig 1: TCM - Circuit Diagram (1 Of 2)
G09773210Courtesy of KIA MOTORS AMERICA, INC.
Fig 2: TCM - Circuit Diagram (2 Of 2)
G09773211Courtesy of KIA MOTORS AMERICA, INC.