LEMON Manuals: Even more car manuals for everyone
Home >> Kia >> 2015 >> Soul Base, Automatic Trans >> Repair and Diagnosis >> External Pages >> Different car >> Section 189 (Audio/Video/Navigation (AVN) System) >> Schematic Diagrams >> Block Diagram

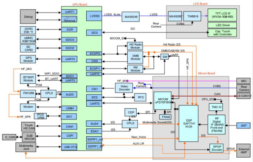
Block Diagram

WARNING: This page is about a different car, the 2017 Kia Soul EV. However, it is still accessible from the selected car via links, so may be relevant.
Fig 1: AVN System
G00577814Courtesy of KIA MOTORS AMERICA, INC.