LEMON Manuals: Even more car manuals for everyone
Home >> Kia >> 2015 >> Soul ! >> Repair and Diagnosis >> Transmission >> Transmission Control Systems >> Automatic Transaxle Control System - 2.0L >> Transaxle Control Module (TCM) >> Schematic Diagrams >> Circuit Diagram

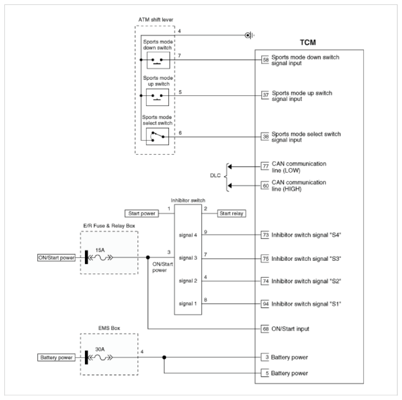
Circuit Diagram

Fig 1: Transaxle Control Module Circuit Diagram (1 Of 2)
G09779554Courtesy of KIA MOTORS AMERICA, INC.
Fig 2: Transaxle Control Module Circuit Diagram (2 Of 2)
G09779555Courtesy of KIA MOTORS AMERICA, INC.