LEMON Manuals: Even more car manuals for everyone
Home >> Kia >> 2015 >> Soul ! >> Repair and Diagnosis >> Engine Performance >> Engine Control Systems >> Engine Control System - 2.0L >> Engine Control Module (ECM) >> Schematic Diagrams >> Circuit Diagram >> (A/T)

Circuit Diagram: (A/T)

Fig 1: ECM Circuit Diagram (A/T; 1 Of 4)
G09779224Courtesy of KIA MOTORS AMERICA, INC.
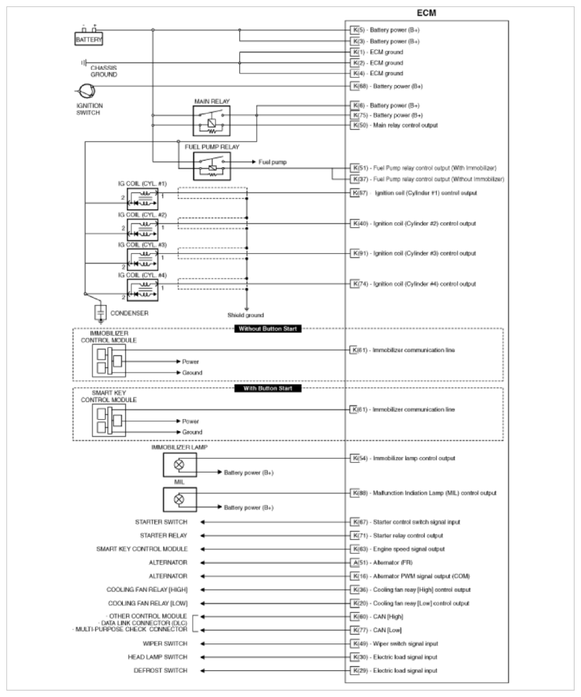
Fig 2: ECM Circuit Diagram (A/T; 2 Of 4)
G09779225Courtesy of KIA MOTORS AMERICA, INC.
Fig 3: ECM Circuit Diagram (A/T; 3 Of 4)
G09779226Courtesy of KIA MOTORS AMERICA, INC.
Fig 4: ECM Circuit Diagram (A/T; 4 Of 4)
G09779227Courtesy of KIA MOTORS AMERICA, INC.