LEMON Manuals: Even more car manuals for everyone
Home >> Kia >> 2015 >> Optima EX >> Repair and Diagnosis >> External Pages >> Different variant/trim >> Section 17 (Automatic Transaxle Control System - Optima HEV) >> Transaxle Control Module (TCM) >> Schematic Diagrams >> Circuit Diagram

Circuit Diagram

WARNING: This page is about a different variant/trim than selected.
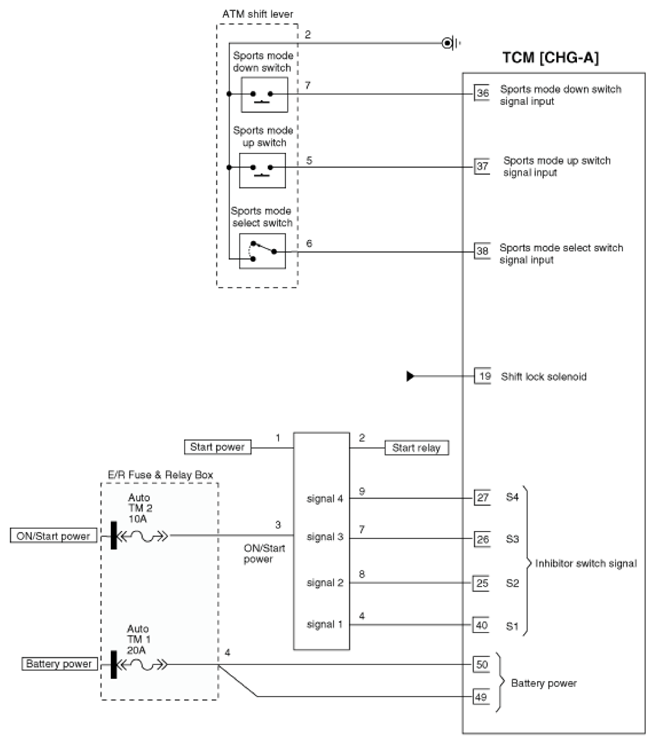
Fig 1: TCM Circuit Diagram (1 Of 2)
G08308075Courtesy of KIA MOTORS AMERICA, INC.
Fig 2: TCM Circuit Diagram (2 Of 2)
G08308076Courtesy of KIA MOTORS AMERICA, INC.