LEMON Manuals: Even more car manuals for everyone
Home >> Kia >> 2015 >> Forte EX >> Repair and Diagnosis (Single Page) >> Engine Performance >> Engine Control Systems >> Engine Control System - 2.0L >> Engine Control Module (ECM) >> Schematic Diagrams >> Circuit Diagram >> (A/T)

Circuit Diagram: (A/T)

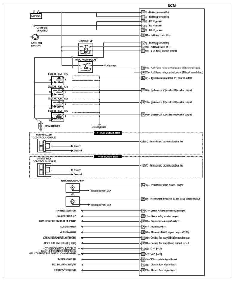
Fig 1: Engine Control Module - Circuit Diagram (A/T) (1 Of 4)
G09742945Courtesy of KIA MOTORS AMERICA, INC.
Fig 2: Engine Control Module - Circuit Diagram (A/T) (2 Of 4)
G09742946Courtesy of KIA MOTORS AMERICA, INC.
Fig 3: Engine Control Module - Circuit Diagram (A/T) (3 Of 4)
G09742947Courtesy of KIA MOTORS AMERICA, INC.
Fig 4: Engine Control Module - Circuit Diagram (A/T) (4 Of 4)
G09742948Courtesy of KIA MOTORS AMERICA, INC.