LEMON Manuals: Even more car manuals for everyone
Home >> Kia >> 2014 >> Optima EX >> Repair and Diagnosis (Single Page) >> Restraints >> Air Bag, SRS >> Supplemental Restraint System Control Module (SRSCM) & Sensors - Optima (Except HEV) >> Weight Classification System (WCS) >> Schematic Diagrams >> Circuit Diagram (1)

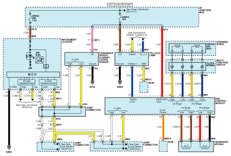
Circuit Diagram (1)

Fig 1: Weight Classification System Circuit Diagram (1 Of 3)
G07380065Courtesy of KIA MOTORS AMERICA, INC.