LEMON Manuals: Even more car manuals for everyone
Home >> Kia >> 2014 >> Forte LX, Standard Trans >> Repair and Diagnosis >> Engine Performance >> Engine Control Systems >> Engine Control System - 1.8L >> Engine Control Module (ECM) >> Schematic Diagrams >> Circuit Diagram >> (A/T)

Circuit Diagram: (A/T)

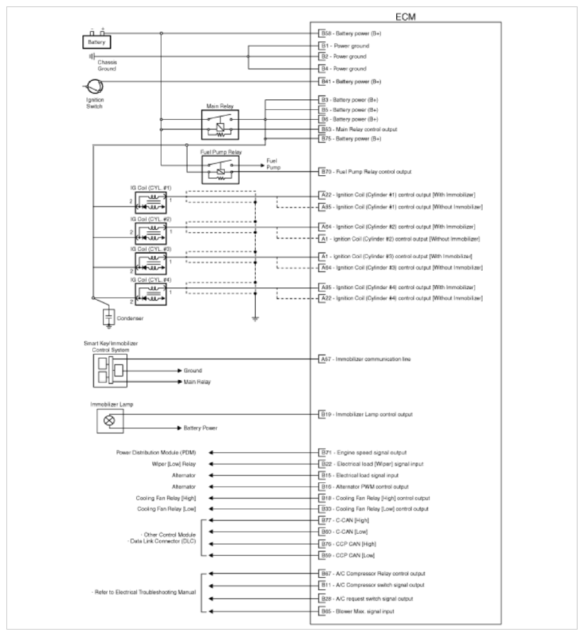
Fig 1: Engine Control Module (ECM) - Circuit Diagram - (A/T) (1 Of 4)
G09748716Courtesy of KIA MOTORS AMERICA, INC.
Fig 2: Engine Control Module (ECM) - Circuit Diagram - (A/T) (2 Of 4)
G09748717Courtesy of KIA MOTORS AMERICA, INC.
Fig 3: Engine Control Module (ECM) - Circuit Diagram - (A/T) (3 Of 4)
G09748718Courtesy of KIA MOTORS AMERICA, INC.
Fig 4: Engine Control Module (ECM) - Circuit Diagram - (A/T) (4 Of 4)
G09748719Courtesy of KIA MOTORS AMERICA, INC.