LEMON Manuals: Even more car manuals for everyone
Home >> Kia >> 2013 >> Soul Base, Standard Trans >> Repair and Diagnosis >> External Pages >> Different car >> Section 66 (Body Control Module (BCM)) >> Description And Operation >> Function >> Wiper & Washer Control >> Front Wiper Intermittent Control

Front Wiper Intermittent Control

WARNING: This page is about a different car, the 2013 Kia Sportage and 2012 Kia Sportage. However, it is still accessible from the selected car via links, so may be relevant.
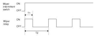
Fig 1: Front Wiper Intermittent Timing Pattern
G07426823Courtesy of KIA MOTORS AMERICA, INC.

T1: One wiping, T2: Wiper intmt time

VALUE SPECIFICATION CHART

Value Name Value
One Wiping 0.7 sec ± 70 msec
Con Wipe Time 2 sec