LEMON Manuals: Even more car manuals for everyone
Home >> Kia >> 2013 >> Soul Base, Standard Trans >> Repair and Diagnosis >> Engine Performance >> Engine Control Systems >> Engine Control/Fuel System - General Information - 1.6L >> Troubleshooting >> Basic Troubleshooting >> Electrical Circuit Inspection Procedure

Electrical Circuit Inspection Procedure

  1. Procedures for Open Circuit
    1. Continuity Check
    2. Voltage Check

      If an open circuit occurs (as seen in [Fig 1]), it can be found by performing Step 2 (Continuity Check Method) or Step  3 (Voltage Check Method) as shown below.

      Fig 1: Checking Electrical Circuit (Open Circuit)
      G08330838Courtesy of KIA MOTORS AMERICA, INC.
  2. Continuity Check Method
    NOTE: When measuring for resistance, lightly shake the wire harness above and below or from side to side.

    Specification (Resistance) 

    1Ω or less → Normal Circuit

    1MΩ or Higher → Open Circuit

    1. Disconnect connectors (A), (C) and measure resistance between connector (A) and (C) as shown in [Fig 2].

      In [FIG.2.] the measured resistance of line 1 and 2 is higher than 1MΩ and below 1 Ω respectively. Specifically the open circuit is line 1 (Line 2 is normal). To find exact break point, check sub line of line 1 as described in next step.

      Fig 2: Measuring Resistance Between Connector (A) And (C)
      G08330839Courtesy of KIA MOTORS AMERICA, INC.
    2. Disconnect connector (B), and measure for resistance between connector (C) and (B1) and between (B2) and (A) as shown in [Fig 3].

      In this case the measured resistance between connector (C) and (B1) is higher than 1MΩ and the open circuit is between terminal 1 of connector (C) and terminal 1 of connector (B1).

      Fig 3: Measuring Resistance Between Connector (C) And (B1) And Between (B2) And (A)
      G08330840Courtesy of KIA MOTORS AMERICA, INC.
  3. Voltage Check Method
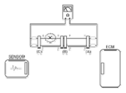
    1. With each connector still connected, measure the voltage between the chassis ground and terminal 1 of each connectors (A), (B) and (C) as shown in [Fig 4].

      The measured voltage of each connector is 5V, 5V and 0V respectively. So the open circuit is between connector (C) and (B).

      Fig 4: Measuring Voltage Between Chassis Ground And Terminal 1 Of Connectors (A), (B) And (C)
      G08330841Courtesy of KIA MOTORS AMERICA, INC.
  1. Test Method for Short to Ground Circuit
    1. Continuity Check with Chassis Ground

      If short to ground circuit occurs as shown in [Fig 5], the broken point can be found by performing Step 2 (Continuity Check Method with Chassis Ground) as shown below.

      Fig 5: Checking Electrical Short Circuit
      G08330842Courtesy of KIA MOTORS AMERICA, INC.
  2. Continuity Check Method (with Chassis Ground)
    NOTE: Lightly shake the wire harness above and below, or from side to side when measuring the resistance.

    Specification (Resistance) 

    1Ω or less → Short to Ground Circuit

    1MΩ or Higher → Normal Circuit

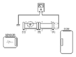
    1. Disconnect connectors (A), (C) and measure for resistance between connector (A) and Chassis Ground as shown in [Fig 6].

      The measured resistance of line 1 and 2 in this example is below 1 Ω and higher than 1MΩ respectively. Specifically the short to ground circuit is line 1 (Line 2 is normal). To find exact broken point, check the sub line of line 1 as described in the following step.

      Fig 6: Measuring Resistance Between Connector (A) And Chassis Ground
      G08330843Courtesy of KIA MOTORS AMERICA, INC.
    2. Disconnect connector (B), and measure the resistance between connector (A) and chassis ground, and between (B1) and chassis ground as shown in [Fig 7].

      The measured resistance between connector (B1) and chassis ground is 1Ω or less. The short to ground circuit is between terminal 1 of connector (C) and terminal 1 of connector (B1).

      Fig 7: Measuring Resistance Between Connector (A) And Chassis Ground And Between (B1) And Chassis Ground
      G08330844Courtesy of KIA MOTORS AMERICA, INC.