LEMON Manuals: Even more car manuals for everyone
Home >> Kia >> 2013 >> Soul Base, Automatic Trans >> Repair and Diagnosis >> External Pages >> Different car >> Section 66 (Body Control Module (BCM)) >> Description And Operation >> Function >> Turn And Hazard Control >> Hazard Control Function

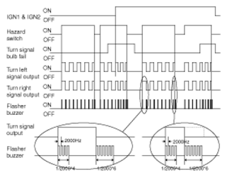
Hazard Control Function

WARNING: This page is about a different car, the 2013 Kia Sportage and 2012 Kia Sportage. However, it is still accessible from the selected car via links, so may be relevant.
  1. Activating the Hazard switch generates the Hazard signal, regardless of the Ignition key position. The Hazard signal is a permanent sequence. It goes off when the Hazard switch is deactivated. The signal drives both the Left and Right sides.
  2. If it is detected the Bulb failure, flasher starts fault flashing. But it is only possible in IGN1 and IGN2 (A_IGN1 = On&L_IGN2 = On) on status.
Fig 1: Hazard Control Function Signal Chart
G07426854Courtesy of KIA MOTORS AMERICA, INC.