LEMON Manuals: Even more car manuals for everyone
Home >> Kia >> 2013 >> Soul Base, Automatic Trans >> Repair and Diagnosis >> External Pages >> Different car >> Section 55 (Supplemental Restraint System Control Module (SRSCM) & Sensors) >> Passive Occupant Detection System (PODS) >> Schematic Diagrams >> Circuit Diagram (1)

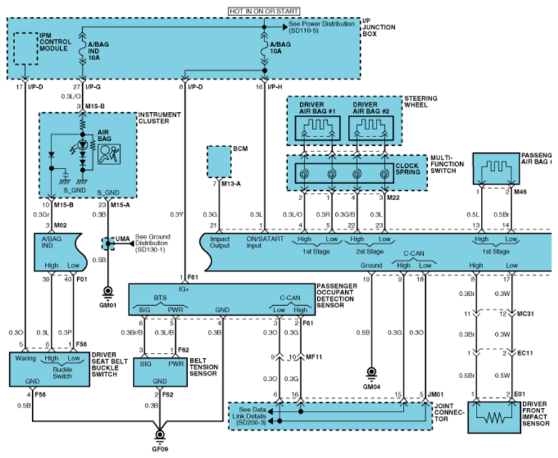
Circuit Diagram (1)

WARNING: This page is about a different car, the 2013 Kia Sportage and 2012 Kia Sportage. However, it is still accessible from the selected car via links, so may be relevant.
Fig 1: SRSCM Circuit Diagram (1)
G07426340Courtesy of KIA MOTORS AMERICA, INC.