LEMON Manuals: Even more car manuals for everyone
Home >> Kia >> 2013 >> Optima SX >> Repair and Diagnosis >> Engine Performance >> Engine Control Systems >> Engine Control System - 2.0L >> Engine Control Module (ECM) >> Schematic Diagrams >> Circuit Diagram

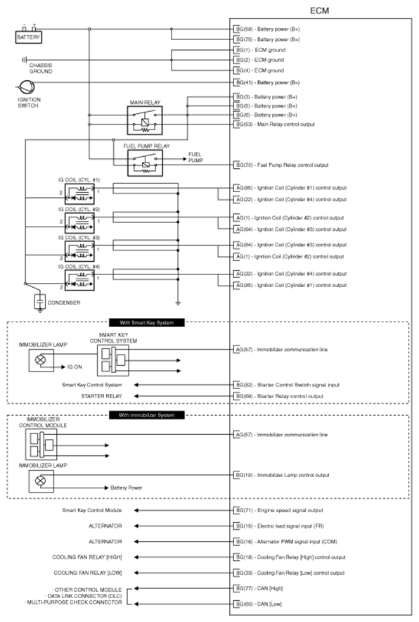
Circuit Diagram

Fig 1: Engine Control System Circuit Diagram (1 Of 4)
G07379700Courtesy of KIA MOTORS AMERICA, INC.
Fig 2: Engine Control System Circuit Diagram (2 Of 4)
G07379701Courtesy of KIA MOTORS AMERICA, INC.
Fig 3: Engine Control System Circuit Diagram (3 Of 4)
G07379702Courtesy of KIA MOTORS AMERICA, INC.
Fig 4: Engine Control System Circuit Diagram (4 Of 4)
G07379703Courtesy of KIA MOTORS AMERICA, INC.