LEMON Manuals: Even more car manuals for everyone
Home >> Kia >> 2012 >> Soul Base, Standard >> Repair and Diagnosis >> Engine Performance >> Engine Control Systems >> Engine Control System - 1.6L >> Engine Control Module (ECM) >> Schematic Diagrams >> Circuit Diagram >> (M/T)

Circuit Diagram: (M/T)

Fig 1: ECM (M/T) - Circuit Diagram (1 Of 4)
G08327921Courtesy of KIA MOTORS AMERICA, INC.
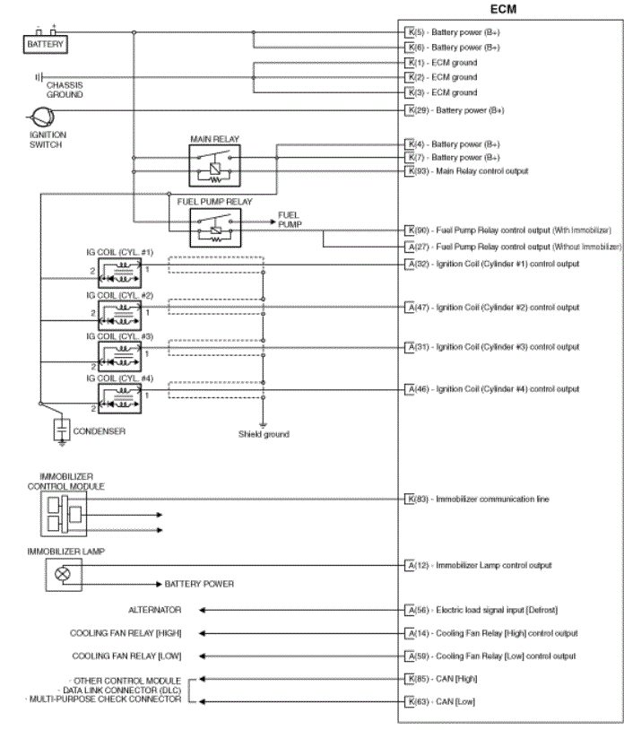
Fig 2: ECM (M/T) - Circuit Diagram (2 Of 4)
G08327922Courtesy of KIA MOTORS AMERICA, INC.
Fig 3: ECM (M/T) - Circuit Diagram (3 Of 4)
G08327923Courtesy of KIA MOTORS AMERICA, INC.
Fig 4: ECM (M/T) - Circuit Diagram (4 Of 4)
G08327924Courtesy of KIA MOTORS AMERICA, INC.