LEMON Manuals: Even more car manuals for everyone
Home >> Kia >> 2012 >> Soul ! >> Repair and Diagnosis >> External Pages >> Different car >> Section 66 (Body Control Module (BCM)) >> Description And Operation >> Function >> Key Interlock Solenoid Control >> Key Interlock Solenoid Control

Key Interlock Solenoid Control

WARNING: This page is about a different car, the 2013 Kia Sportage and 2012 Kia Sportage. However, it is still accessible from the selected car via links, so may be relevant.
  1. General Description
    1. Key Interlock Function is to check the Key Interlock Switch Input and Ignition Terminal position, and turn On or Off the key interlock solenoid.
    2. Key Solenoid is Pull Type.
    3. When IGN1 is On or ACC is On, if Key Interlock Switch is On, key interlock solenoid is Off
    4. When IGN1 is On or ACC is On, if Key Interlock Switch is Off, key interlock solenoid is On
    5. During IGN1 is Off and ACC is Off, key interlock solenoid is Off
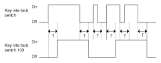
    6. The internal value "b_KeyInterlockSW100" is the signal that means Key Interlock Switch value with 100 msec confirm time. So it is different from filtering time.
    Fig 1: Key Interlock Solenoid Control Timing Pattern
    G07426889Courtesy of KIA MOTORS AMERICA, INC.

    T: 100 msec

  2. Go to Key Interlock Solenoid Control .
    STATE DESCRIPTION CHART

    State Description
    Initial Condition (IGN1 = On or ACC = On) & Key Interlock SW100 = Off
    Event
    • Key Interlock SW100 = On or
    • IGN1 = Off and ACC = Off
    Action Key SOL = Off
  3. Go to Key Interlock Solenoid Control .
STATE DESCRIPTION CHART

State Description
Initial Condition (IGN1 = On or ACC = On) & Key Interlock SW100 = On
Event Key Interlock SW100 = Off
Action Key SOL = On
Fig 2: Key Interlock Solenoid Control Timing Pattern
G07426890Courtesy of KIA MOTORS AMERICA, INC.