LEMON Manuals: Even more car manuals for everyone
Home >> Kia >> 2012 >> Soul ! >> Repair and Diagnosis >> Engine Performance >> Engine Control Systems >> Engine Control System - 2.0L >> Engine Control Module (ECM) >> Schematic Diagrams >> Circuit Diagram >> (M/T)

Circuit Diagram: (M/T)

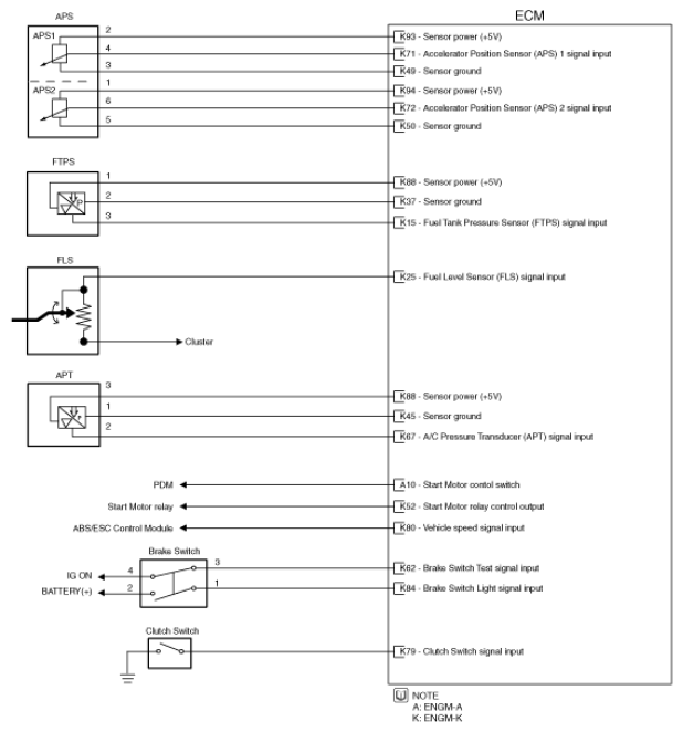
Fig 1: ECM - Circuit Diagram (M/T) (1 Of 4)
G08331007Courtesy of KIA MOTORS AMERICA, INC.
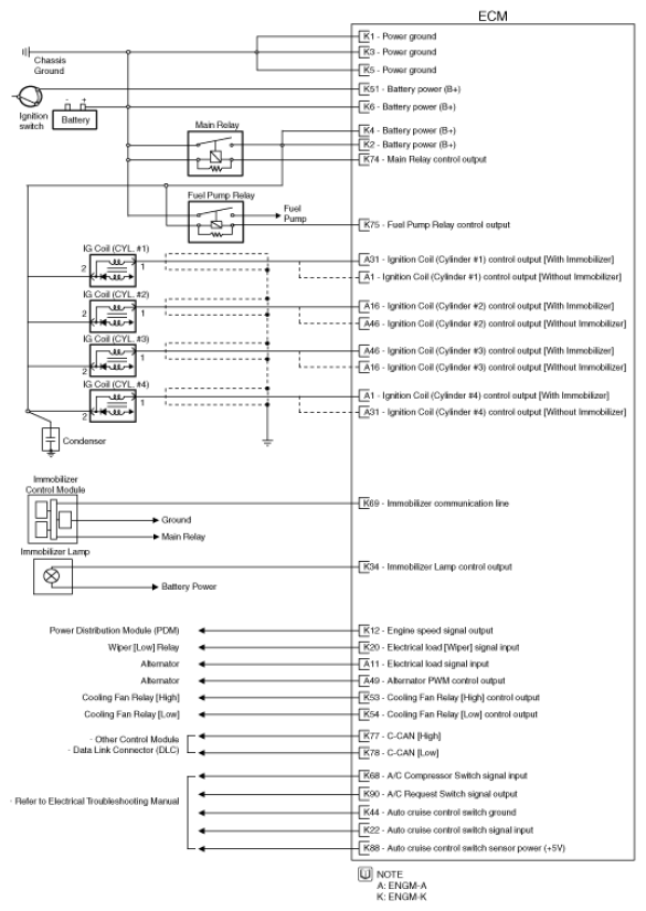
Fig 2: ECM - Circuit Diagram (M/T) (2 Of 4)
G08331008Courtesy of KIA MOTORS AMERICA, INC.
Fig 3: ECM - Circuit Diagram (M/T) (3 Of 4)
G08331009Courtesy of KIA MOTORS AMERICA, INC.
Fig 4: ECM - Circuit Diagram (M/T) (4 Of 4)
G08331010Courtesy of KIA MOTORS AMERICA, INC.