LEMON Manuals: Even more car manuals for everyone
Home >> Kia >> 2012 >> Soul ! >> Repair and Diagnosis >> Engine Performance >> Engine Control Systems >> Engine Control System - 2.0L >> Engine Control Module (ECM) >> Schematic Diagrams >> Circuit Diagram >> (A/T)

Circuit Diagram: (A/T)

Fig 1: ECM - Circuit Diagram (A/T) (1 Of 4)
G08331011Courtesy of KIA MOTORS AMERICA, INC.
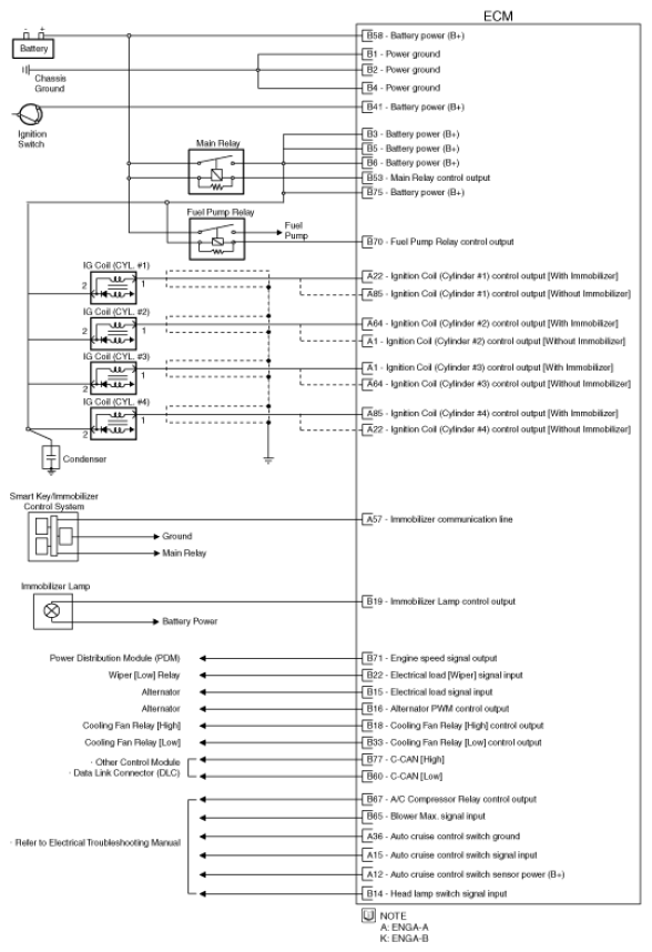
Fig 2: ECM - Circuit Diagram (A/T) (2 Of 4)
G08331012Courtesy of KIA MOTORS AMERICA, INC.
Fig 3: ECM - Circuit Diagram (A/T) (3 Of 4)
G08331013Courtesy of KIA MOTORS AMERICA, INC.
Fig 4: ECM - Circuit Diagram (A/T) (4 Of 4)
G08331014Courtesy of KIA MOTORS AMERICA, INC.