LEMON Manuals: Even more car manuals for everyone
Home >> Kia >> 2012 >> Soul ! >> Repair and Diagnosis (Single Page) >> Engine Performance >> System >> Engine Control System Diagnosis (3 Of 3) - 2.0L >> DTC P2251: O2 Sensor Reference Ground Circuit-Open (Bank 1 Sensor 1) >> General Information >> Diagnostic Circuit Diagram

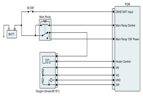
Diagnostic Circuit Diagram

Fig 1: Oxygen Sensor (B1/S1) - Circuit Diagram
G08334794Courtesy of KIA MOTORS AMERICA, INC.
Fig 2: Identifying Oxygen Sensor (B1/S1) And PCM Connectors
G08334795Courtesy of KIA MOTORS AMERICA, INC.