LEMON Manuals: Even more car manuals for everyone
Home >> Kia >> 2012 >> Soul ! >> Repair and Diagnosis (Single Page) >> Engine Performance >> System >> Engine Control System Diagnosis (3 Of 3) - 2.0L >> DTC P2237: O2 Sensor Pumping Current Circuit/Open (Bank 1 Sensor 1) >> General Information >> Diagnostic Circuit Diagram

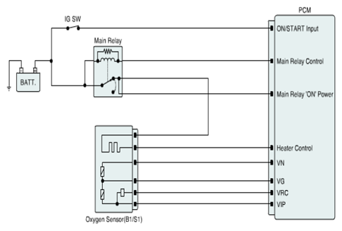
Diagnostic Circuit Diagram

Fig 1: Oxygen Sensor (B1/S1) - Circuit Diagram
G08334778Courtesy of KIA MOTORS AMERICA, INC.
Fig 2: Identifying Oxygen Sensor (B1/S1) And PCM Connectors
G08334779Courtesy of KIA MOTORS AMERICA, INC.