LEMON Manuals: Even more car manuals for everyone
Home >> Kia >> 2012 >> Soul ! >> Repair and Diagnosis (Single Page) >> Engine Performance >> System >> Engine Control System Diagnosis (1 Of 3) - 2.0L >> DTC P0140: O2 Sensor Circuit No Activity Detected (Bank 1/Sensor 2) >> General Information >> Diagnostic Circuit Diagram

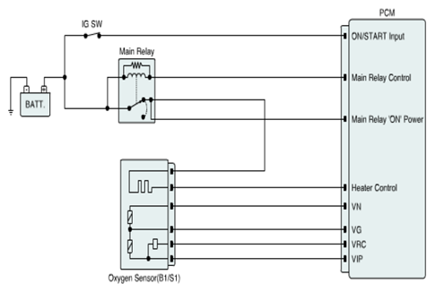
Diagnostic Circuit Diagram

Fig 1: Oxygen Sensor (B1/S1) - Circuit Diagram
G08334161Courtesy of KIA MOTORS AMERICA, INC.