LEMON Manuals: Even more car manuals for everyone
Home >> Kia >> 2012 >> Soul ! >> Repair and Diagnosis (Single Page) >> Engine Performance >> System >> Engine Control System Diagnosis (1 Of 3) - 2.0L >> DTC P0122: Throttle/Pedal Position Sensor/Switch A Circuit Low Input >> General Information >> Diagnostic Circuit Diagram

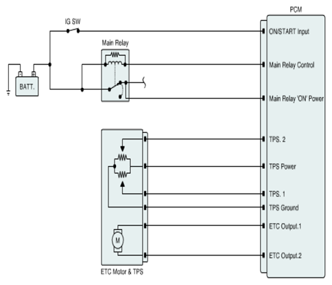
Diagnostic Circuit Diagram

Fig 1: ETC Motor And TPS - Circuit Diagram
G08334086Courtesy of KIA MOTORS AMERICA, INC.
Fig 2: Identifying ETC Motor, TPS And PCM Connector Terminals
G08334087Courtesy of KIA MOTORS AMERICA, INC.