LEMON Manuals: Even more car manuals for everyone
Home >> Kia >> 2012 >> Rio EX, 4D Hatchback >> Repair and Diagnosis >> Engine Performance >> Engine Control Systems >> Engine Control System >> Engine Control Module (ECM) >> Schematic Diagrams >> Circuit Diagram >> (M/T)

Circuit Diagram: (M/T)

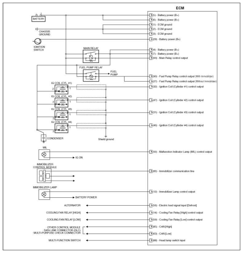
Fig 1: ECM - Circuit Diagram (M/T, 1 Of 4)
G08321363Courtesy of KIA MOTORS AMERICA, INC.
Fig 2: ECM - Circuit Diagram (M/T, 2 Of 4)
G08321364Courtesy of KIA MOTORS AMERICA, INC.
Fig 3: ECM - Circuit Diagram (M/T, 3 Of 4)
G08321365Courtesy of KIA MOTORS AMERICA, INC.
Fig 4: ECM - Circuit Diagram (M/T, 4 Of 4)
G08321366Courtesy of KIA MOTORS AMERICA, INC.