LEMON Manuals: Even more car manuals for everyone
Home >> Kia >> 2012 >> Optima LX, Automatic Trans >> Repair and Diagnosis >> External Pages >> Different variant/trim >> Section 40 (Body Control Module (BCM) - HEV) >> Description and Operation >> Function >> Description Of State

Description Of State

WARNING: This page is about a different variant/trim than selected.
  1. Room Lamp off
    State Description
    Initial Condition Room lamp decaying
    Event Decay finished
    Action Room lamp off
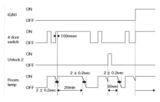
    Fig 1: Ignition 1, 4 Door Switch, Unlock 2 And Room Lamp Blinking Pattern
    G08309167Courtesy of KIA MOTORS AMERICA, INC.
  2. Room Lamp on
    State Description
    Initial Condition Room Lamp off
    Event IGN1 on & 4door switch on
    Action Room Lamp on
    Fig 2: Ignition 1, 4 Door Switch And Room Lamp Communication Diagram
    G08309168Courtesy of KIA MOTORS AMERICA, INC.
    State Description
    Initial Condition Room Lamp Decaying
    Event IGN1 on & 4door switch on
    Action Room Lamp on
    State Description
    Initial Condition Room Lamp on for 20min
    Event IGN1 on
    Action Room Lamp on
  3. Room Lamp on for 30s
    State Description
    Initial Condition Room Lamp on for 30s
    Event TX Unlock or Key In switch on→off
    Action Restart Room Lamp on for 30s
    State Description
    Initial Condition Room Lamp on
    Event IGN1 off & 4door switch off
    Action Start Room Lamp on for 30s
    Fig 3: Ignition 1, 4 Door Switch And Room Lamp Blinking Pattern
    G08309169Courtesy of KIA MOTORS AMERICA, INC.
    NOTE:
    • The flickering of lamp is not allowed even though IGN1 ON
    • The resolution of Decayed Room Lamp must be more than 32 step.
    State Description
    Initial Condition Room Lamp on for 20min
    Event IGN1 off & 4door switch off
    Action Start Room Lamp on for 30s
    State Description
    Initial Condition Room Lamp Decaying
    Event IGN1 off & 4door switch off & (TX Unlock or Key In switch on→off)
    Action Start Room Lamp on for 30s
    State Description
    Initial Condition Room Lamp off
    Event IGN1 off & 4door switch off & (TX Unlock or Key In switch on→off)
    Action Start Room Lamp on for 30s
  4. Room Lamp Decaying
    State Description
    Initial Condition Room Lamp on for 30s
    Event IGN1 on or 30s elapsed or Any Door Unlock→All Door Lock1
    Action Start Room Lamp Decaying
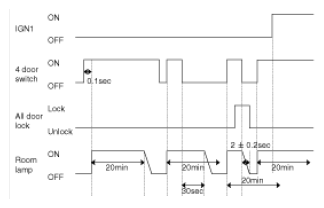
    Fig 4: Ignition 1, 4 Door Switch, Unlock 2, All Door Lock And Room Lamp Blinking Pattern
    G08309170Courtesy of KIA MOTORS AMERICA, INC.
    State Description
    Initial Condition Room Lamp on
    Event IGN1 on or 4door switch off
    Action Start Room Lamp Decaying
    State Description
    Initial Condition Room Lamp on for 20min
    Event 20min elapsed or (IGN1 off & 4door switch off & All Door Lock1)
    Action Start Room Lamp Decaying
    Fig 5: Ignition 1, 4 Door Switch, All Door Lock And Room Lamp Blinking Pattern
    G08309171Courtesy of KIA MOTORS AMERICA, INC.
  5. Room Lamp on for 20min
    State Description
    Initial Condition Room Lamp off
    Event IGN1 off & (4door switch off→on for 100ms)
    Action Start Room Lamp on for 20min
    State Description
    Initial Condition Room Lamp Decaying
    Event IGN1 off & (4door switch off→on for 100ms)
    Action Start Room Lamp on for 20min
    State Description
    Initial Condition Room Lamp on for 30s
    Event IGN1 off & (4door switch off→on for 100ms)
    Action Start Room Lamp on for 20min
    State Description
    Initial Condition Room Lamp on
    Event IGN1 off & 4door switch on
    Action Start Room Lamp on for 20min