LEMON Manuals: Even more car manuals for everyone
Home >> Kia >> 2012 >> Forte LX, Automatic Trans >> Repair and Diagnosis >> Electrical >> Starter >> Button Engine Start System >> PDM (Power Distribution Module) >> Schematic Diagrams >> System Circuit Diagram

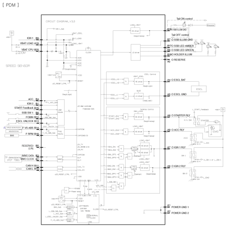
System Circuit Diagram

Fig 1: Power Distribution Module Circuit Diagram
G07369548Courtesy of KIA MOTORS AMERICA, INC.