LEMON Manuals: Even more car manuals for everyone
Home >> Kia >> 2012 >> Forte Koup EX, Automatic Trans >> Repair and Diagnosis >> Transmission >> Transmission Control Systems >> Automatic Transaxle Control System >> Transaxle Control Module (TCM) >> Schematic Diagrams >> Circuit Diagram

Circuit Diagram

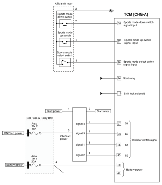
Fig 1: TCM - Circuit Diagram (1 Of 2)
G07367986Courtesy of KIA MOTORS AMERICA, INC.
Fig 2: TCM - Circuit Diagram (2 Of 2)
G07367987Courtesy of KIA MOTORS AMERICA, INC.