LEMON Manuals: Even more car manuals for everyone
Home >> Kia >> 2011 >> Rio Base >> Repair and Diagnosis >> Engine Performance >> Engine Control Systems >> Engine Control System >> Powertrain Control Module (PCM) >> Schematic Diagrams >> Circuit Diagram >> [M/T]

Circuit Diagram: [M/T]

Fig 1: Powertrain Control Module (PCM) (M/T) - Circuit Diagram (1 Of 4)
G06828786Courtesy of KIA MOTORS AMERICA, INC.
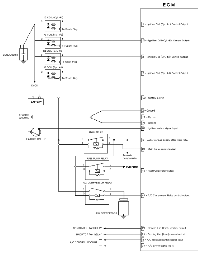
Fig 2: Powertrain Control Module (PCM) (M/T) - Circuit Diagram (2 Of 4)
G06828787Courtesy of KIA MOTORS AMERICA, INC.
Fig 3: Powertrain Control Module (PCM) (M/T) - Circuit Diagram (3 Of 4)
G06828788Courtesy of KIA MOTORS AMERICA, INC.
Fig 4: Powertrain Control Module (PCM) (M/T) - Circuit Diagram (4 Of 4)
G06828789Courtesy of KIA MOTORS AMERICA, INC.