LEMON Manuals: Even more car manuals for everyone
Home >> Kia >> 2011 >> Rio Base >> Repair and Diagnosis >> Engine Performance >> Engine Control Systems >> Engine Control System >> Powertrain Control Module (PCM) >> Schematic Diagrams >> Circuit Diagram >> [A/T]

Circuit Diagram: [A/T]

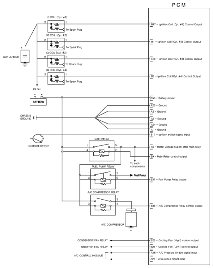
Fig 1: Powertrain Control Module (PCM) (A/T) - Circuit Diagram (1 Of 4)
G06828782Courtesy of KIA MOTORS AMERICA, INC.
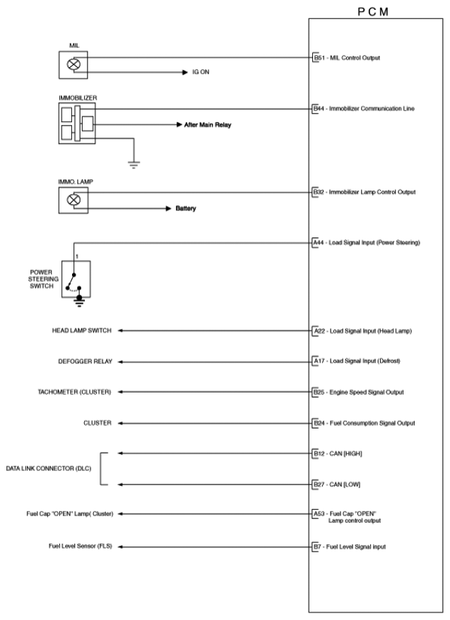
Fig 2: Powertrain Control Module (PCM) (A/T) - Circuit Diagram (2 Of 4)
G06828783Courtesy of KIA MOTORS AMERICA, INC.
Fig 3: Powertrain Control Module (PCM) (A/T) - Circuit Diagram (3 Of 4)
G06828784Courtesy of KIA MOTORS AMERICA, INC.
Fig 4: Powertrain Control Module (PCM) (A/T) - Circuit Diagram (4 Of 4)
G06828785Courtesy of KIA MOTORS AMERICA, INC.