LEMON Manuals: Even more car manuals for everyone
Home >> Kia >> 2011 >> Rio Base >> Repair and Diagnosis (Single Page) >> Accessories & Equipment >> Communication Devices >> BCM (Body Control Module) >> Body Control Module >> Schematic Diagrams - Revised >> Circuit Diagram >> BCM

Circuit Diagram: BCM

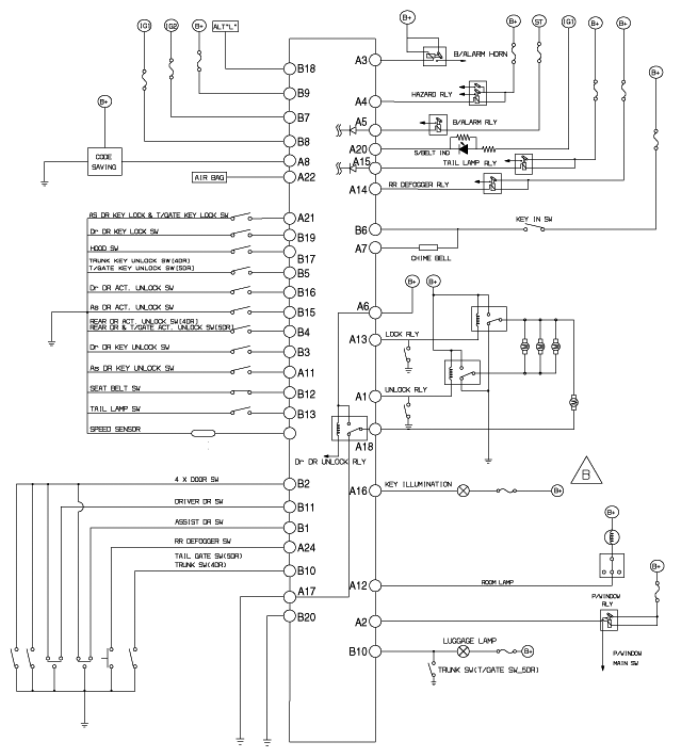
Fig 1: BCM Circuit Diagram
G06829639Courtesy of KIA MOTORS AMERICA, INC.


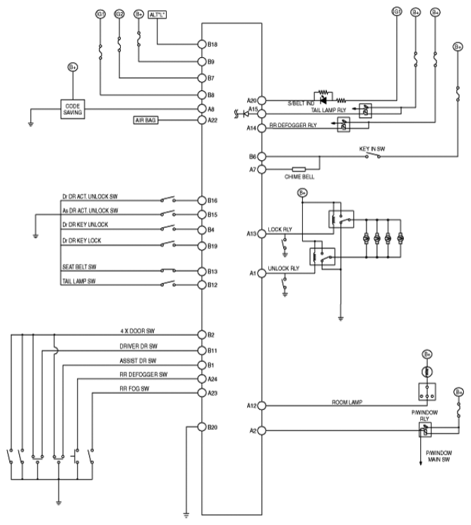
Fig 1: BCM Circuit Diagram
G06829642Courtesy of KIA MOTORS AMERICA, INC.