LEMON Manuals: Even more car manuals for everyone
Home >> Kia >> 2011 >> Optima EX, 2.4 7 >> Repair and Diagnosis >> Engine Performance >> Engine Control Systems >> Engine Control System - 2.4L >> Engine Control Module (ECM) >> Schematic Diagrams >> Circuit Diagram

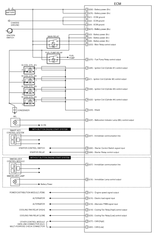
Circuit Diagram

Fig 1: Engine Control Module - Circuit Diagram (1 Of 4)
G07381632Courtesy of KIA MOTORS AMERICA, INC.
Fig 2: Engine Control Module - Circuit Diagram (2 Of 4)
G07381633Courtesy of KIA MOTORS AMERICA, INC.
Fig 3: Engine Control Module - Circuit Diagram (3 Of 4)
G07381634Courtesy of KIA MOTORS AMERICA, INC.
Fig 4: Engine Control Module - Circuit Diagram (4 Of 4)
G07381635Courtesy of KIA MOTORS AMERICA, INC.