LEMON Manuals: Even more car manuals for everyone
Home >> Kia >> 2010 >> Sedona Base >> Repair and Diagnosis >> Engine Performance >> Engine Control Systems >> Engine Control System >> Powertrain Control Module (PCM) >> Schematic Diagrams >> Circuit Diagram

Circuit Diagram

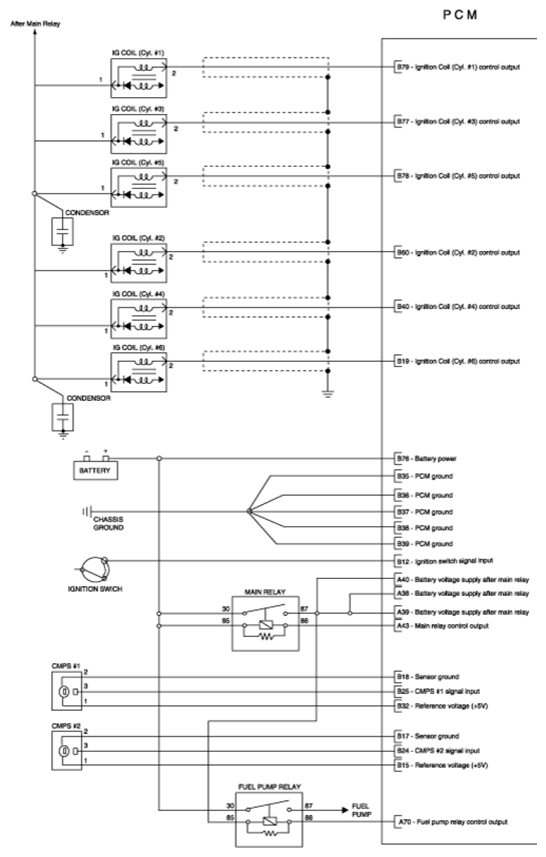
Fig 1: Engine Control System - Circuit Diagram (1 Of 5)
G06838048Courtesy of KIA MOTORS AMERICA, INC.
Fig 2: Engine Control System - Circuit Diagram (2 Of 5)
G06838049Courtesy of KIA MOTORS AMERICA, INC.
Fig 3: Engine Control System - Circuit Diagram (3 Of 5)
G06838050Courtesy of KIA MOTORS AMERICA, INC.
Fig 4: Engine Control System - Circuit Diagram (4 Of 5)
G06838051Courtesy of KIA MOTORS AMERICA, INC.
Fig 5: Engine Control System - Circuit Diagram (5 Of 5)
G06838052Courtesy of KIA MOTORS AMERICA, INC.