LEMON Manuals: Even more car manuals for everyone
Home >> Kia >> 2009 >> Sorento Base, A5SR2 >> Repair and Diagnosis >> Restraints >> Restraints Control Systems >> SRS Control Module (Air Bag) >> Schematic Diagrams >> Circuit Diagram

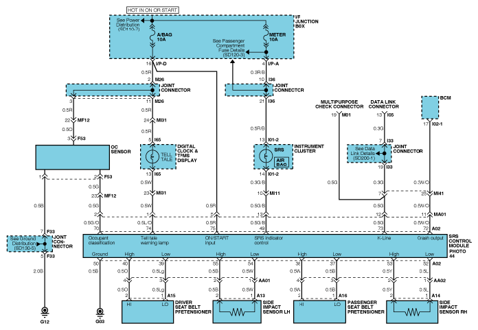
Circuit Diagram

Fig 1: Occupant Classification Sensor - Circuit Diagram (1 Of 2)
G06409883Courtesy of KIA MOTORS AMERICA, INC.
Fig 2: Occupant Classification Sensor - Circuit Diagram (2 Of 2)
G06409884Courtesy of KIA MOTORS AMERICA, INC.