LEMON Manuals: Even more car manuals for everyone
Home >> Kia >> 2009 >> Sedona Base >> Repair and Diagnosis >> Engine Performance >> Engine Control Systems >> Gasoline Engine Control System >> Powertrain Control Module (Pcm) >> Circuit Diagram

Circuit Diagram

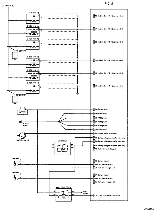
Fig 1: Powertrain Control Module (PCM) - Circuit Diagram (1 Of 5)
G04883232Courtesy of KIA MOTORS AMERICA, INC.
Fig 2: Powertrain Control Module (PCM) - Circuit Diagram (2 Of 5)
G04883233Courtesy of KIA MOTORS AMERICA, INC.
Fig 3: Powertrain Control Module (PCM) - Circuit Diagram (3 Of 5)
G04883234Courtesy of KIA MOTORS AMERICA, INC.
Fig 4: Powertrain Control Module (PCM) - Circuit Diagram (4 Of 5)
G04883235Courtesy of KIA MOTORS AMERICA, INC.
Fig 5: Powertrain Control Module (PCM) - Circuit Diagram (5 Of 5)
G04883236Courtesy of KIA MOTORS AMERICA, INC.