LEMON Manuals: Even more car manuals for everyone
Home >> Kia >> 2009 >> Amanti >> Repair and Diagnosis >> Engine Performance >> Engine Control Systems >> Gasoline Engine Control System >> Powertrain Control Module (Pcm) >> Circuit Diagram

Circuit Diagram

Fig 1: Power Control Module - Circuit Diagram (1 Of 5)
G05116395Courtesy of KIA MOTORS AMERICA, INC.
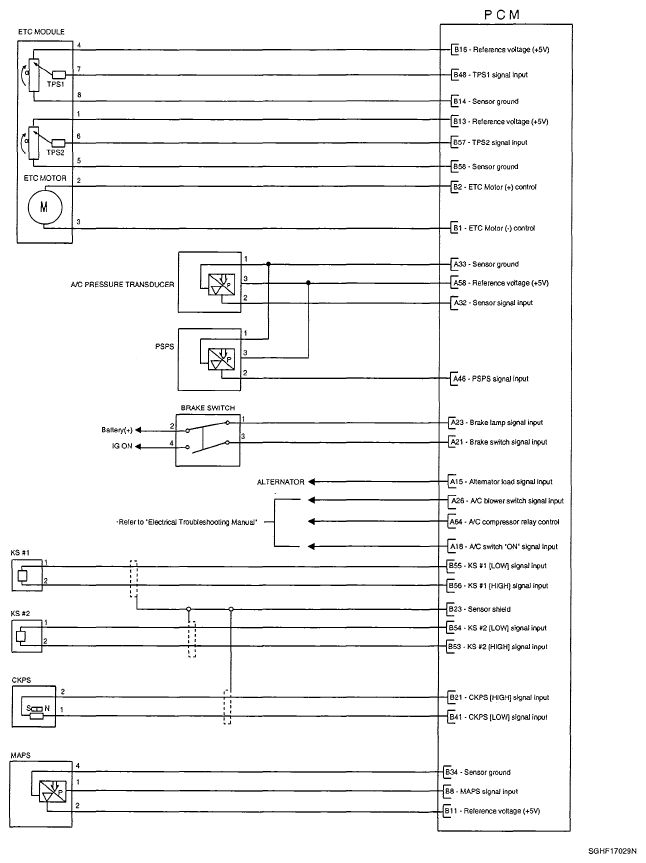
Fig 2: Power Control Module - Circuit Diagram (2 Of 5)
G05116396Courtesy of KIA MOTORS AMERICA, INC.
Fig 3: Power Control Module - Circuit Diagram (3 Of 5)
G05116397Courtesy of KIA MOTORS AMERICA, INC.
Fig 4: Power Control Module - Circuit Diagram (4 Of 5)
G05116398Courtesy of KIA MOTORS AMERICA, INC.
Fig 5: Power Control Module - Circuit Diagram (5 Of 5)
G05116399Courtesy of KIA MOTORS AMERICA, INC.