LEMON Manuals: Even more car manuals for everyone
Home >> Kia >> 2008 >> Rio Base, Automatic >> Repair and Diagnosis >> Engine Performance >> Engine Control Systems >> Gasoline Engine Control System >> Powertrain Control Module (Pcm) >> Circuit Diagram >> [A/T]

Circuit Diagram: [A/T]

Fig 1: A/T Circuit Diagram (1 Of 8)
G04862029Courtesy of KIA MOTORS AMERICA, INC.
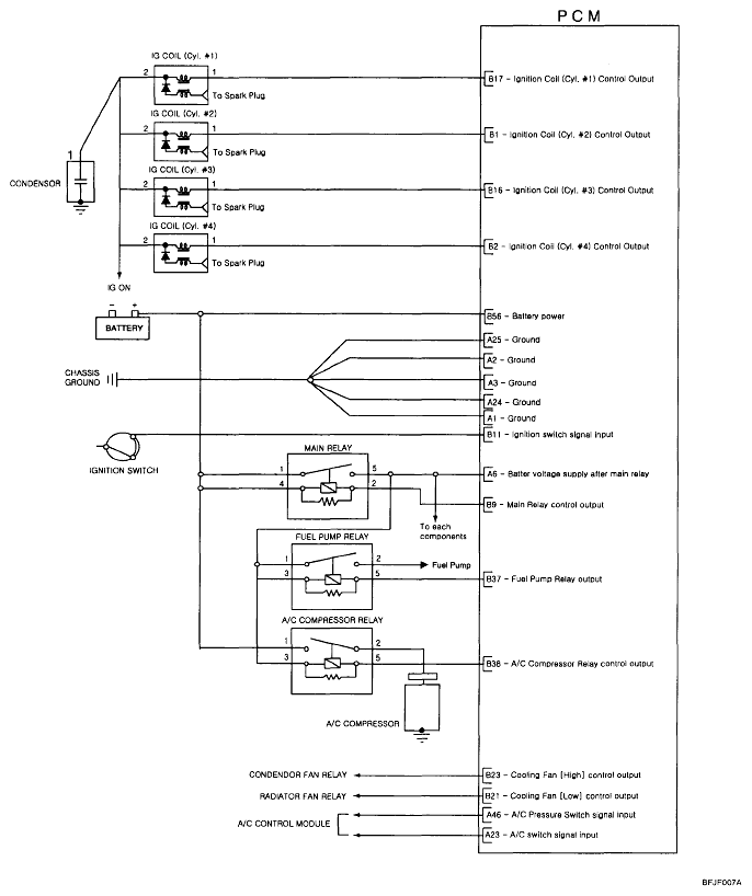
Fig 2: A/T Circuit Diagram (2 Of 8)
G04862030Courtesy of KIA MOTORS AMERICA, INC.
Fig 3: A/T Circuit Diagram (3 Of 8)
G04862031Courtesy of KIA MOTORS AMERICA, INC.
Fig 4: A/T Circuit Diagram (4 Of 8)
G04862032Courtesy of KIA MOTORS AMERICA, INC.