LEMON Manuals: Even more car manuals for everyone
Home >> Kia >> 2008 >> Magentis 2.4 3 >> Repair and Diagnosis >> Engine Performance >> Engine Control Systems >> Engine Control System - Fuel System (G4KC-GSL 2.4L) >> Engine Control Module (ECM) >> Circuit Diagram

Circuit Diagram

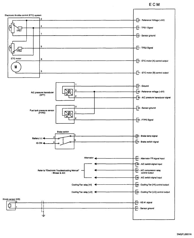
Fig 1: ECM Circuit Diagram (1 Of 5)
G04804208Courtesy of KIA MOTORS AMERICA, INC.
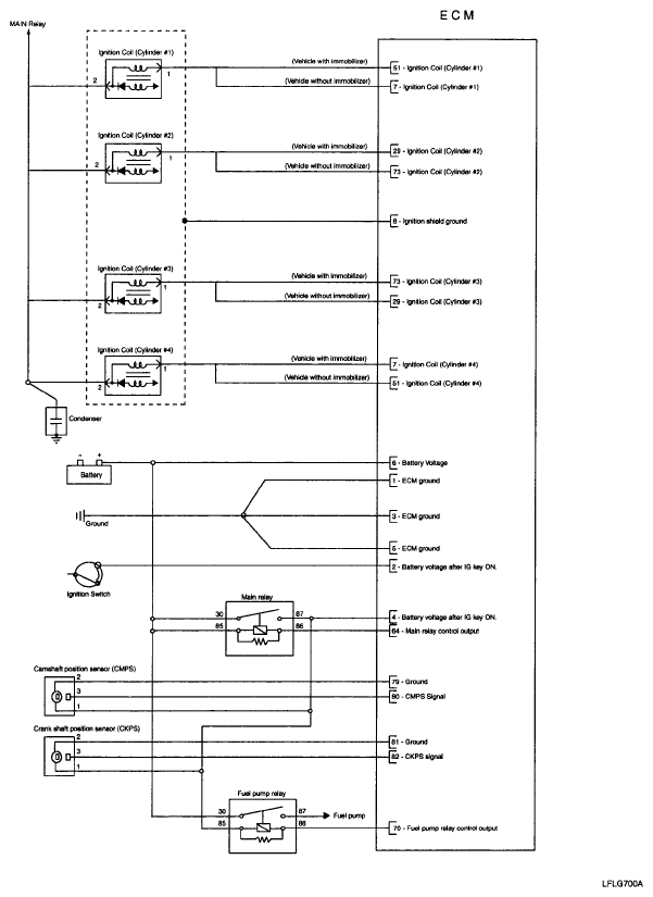
Fig 2: ECM Circuit Diagram (2 Of 5)
G04804209Courtesy of KIA MOTORS AMERICA, INC.
Fig 3: ECM Circuit Diagram (3 Of 5)
G04804210Courtesy of KIA MOTORS AMERICA, INC.
Fig 4: ECM Circuit Diagram (4 Of 5)
G04804211Courtesy of KIA MOTORS AMERICA, INC.
Fig 5: ECM Circuit Diagram (5 Of 5)
G04804212Courtesy of KIA MOTORS AMERICA, INC.