LEMON Manuals: Even more car manuals for everyone
Home >> Kia >> 2007 >> Spectra LX, 2.0 2 >> Repair and Diagnosis >> Engine Performance >> Engine Control Systems >> Gasoline Engine Control System >> Circuit Diagram

Circuit Diagram

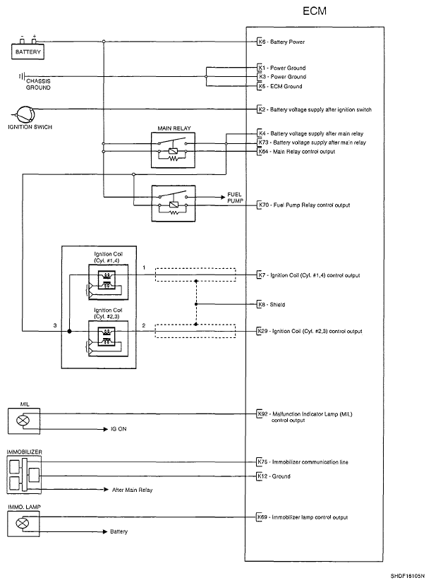
Fig 1: Engine Control Module - Circuit Diagram (1 Of 4)
G05115361Courtesy of KIA MOTORS AMERICA, INC.
Fig 2: Engine Control Module - Circuit Diagram (2 Of 4)
G05115362Courtesy of KIA MOTORS AMERICA, INC.
Fig 3: Engine Control Module - Circuit Diagram (3 Of 4)
G05115363Courtesy of KIA MOTORS AMERICA, INC.
Fig 4: Engine Control Module - Circuit Diagram (4 Of 4)
G05115364Courtesy of KIA MOTORS AMERICA, INC.