LEMON Manuals: Even more car manuals for everyone
Home >> Kia >> 2006 >> Spectra5 2.0 2, Standard >> Repair and Diagnosis >> Engine Performance >> Engine Control Systems >> Gasoline Engine Control System >> Engine Control Module (ECM) >> Circuit Diagram

Circuit Diagram

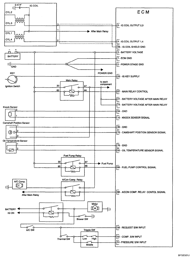
Fig 1: Gasoline Engine Control System - Circuit Diagram (1 Of 3)
G04864271Courtesy of KIA MOTORS AMERICA, INC.
Fig 2: Gasoline Engine Control System - Circuit Diagram (2 Of 3)
G04864272Courtesy of KIA MOTORS AMERICA, INC.
Fig 3: Gasoline Engine Control System - Circuit Diagram (3 Of 3)
G04864273Courtesy of KIA MOTORS AMERICA, INC.