LEMON Manuals: Even more car manuals for everyone
Home >> Kia >> 2005 >> Spectra5 2.0 2, Standard >> Repair and Diagnosis >> Engine Performance >> System >> Engine Control System/Fuel System - 2.0L >> MFI Control System >> ECM Circuit Diagram

ECM Circuit Diagram

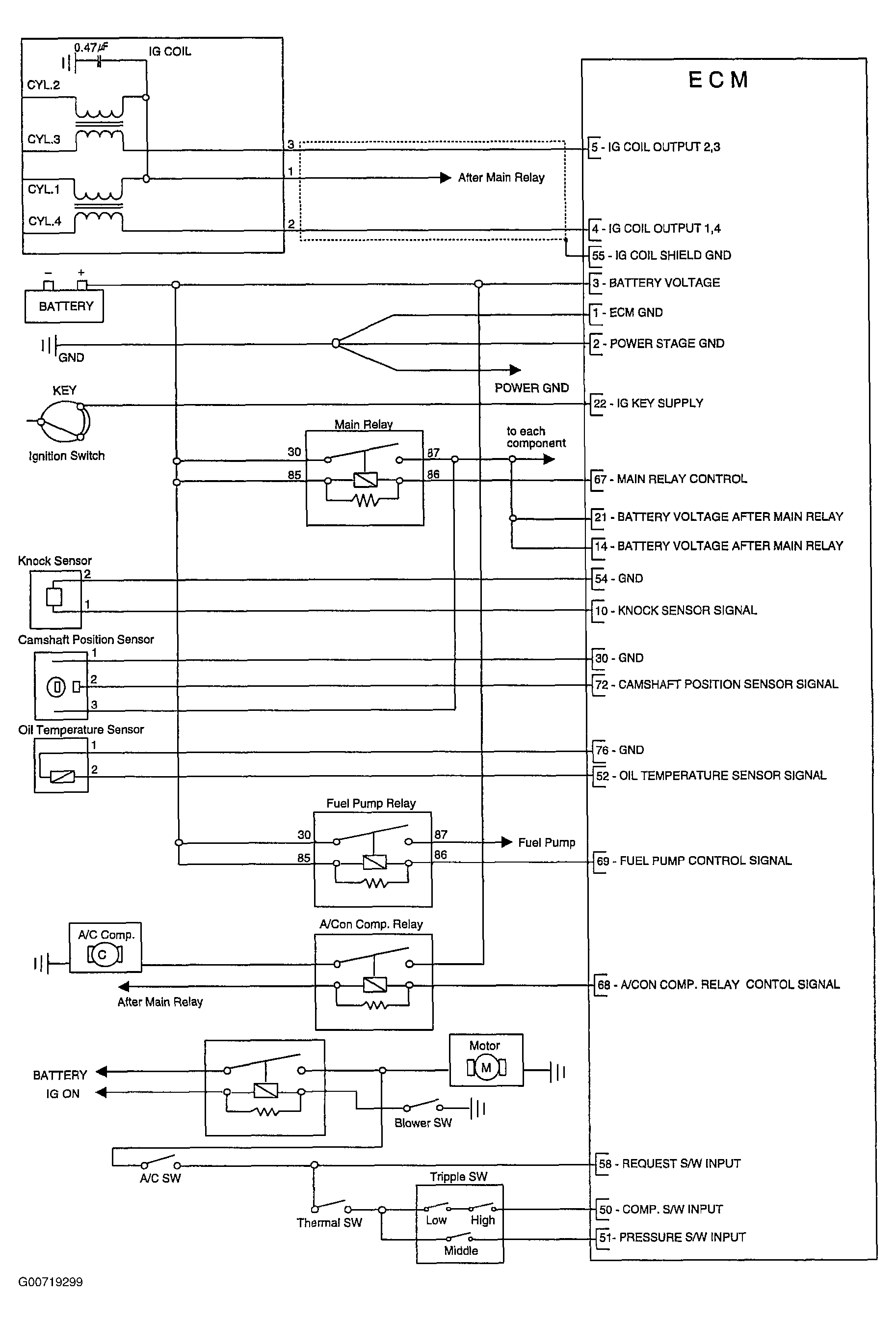
Fig 1: ECM Circuit Diagram (1 Of 3)
G00719299Courtesy of KIA MOTORS AMERICA, INC.
Fig 2: ECM Circuit Diagram (2 Of 3)
G00719300Courtesy of KIA MOTORS AMERICA, INC.
Fig 3: ECM Circuit Diagram (3 Of 3)
G00719301Courtesy of KIA MOTORS AMERICA, INC.