LEMON Manuals: Even more car manuals for everyone
Home >> Kia >> 2005 >> Optima EX, 2.7 8 >> Repair and Diagnosis >> Engine Performance >> Engine Control Systems >> Engine Control System/Fuel System - 2.7L >> MFI Control System >> Ignition Coil >> Notes

Ignition Coil: Notes

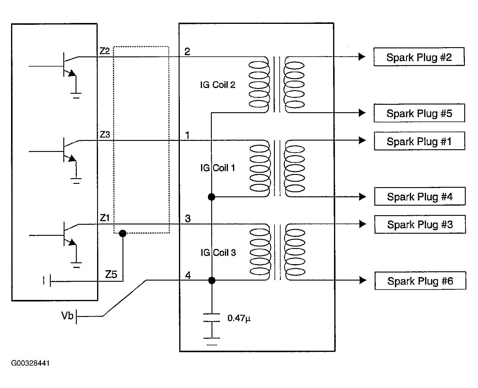
The ignition power transistor functions to control the ignition timing by controlling the ignition coil primary current through signals from the ECU and the ignition coil is of the type of ignition order of (#1/#4), (#2/#5), (#3/#6) and is controlled by the power TR built in the ECU.

Fig 1: Locating Ignition Coil
G00328441Courtesy of KIA MOTORS AMERICA, INC.