LEMON Manuals: Even more car manuals for everyone
Home >> Kia >> 2005 >> Optima EX, 2.4 6 >> Repair and Diagnosis >> Engine Performance >> System >> Engine Control System/Fuel System - 2.4L (A/T) >> MFI Control System >> Throttle Position Sensor (TPS) >> Circuit Diagram (TPS)

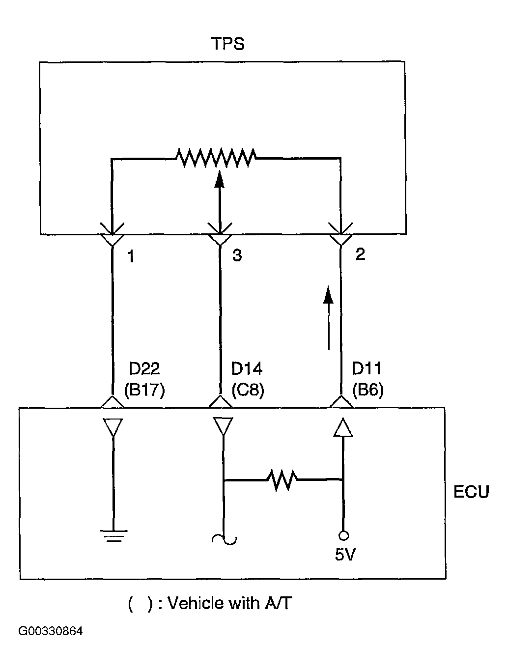
Circuit Diagram (TPS)

Fig 1: Identifying Throttle Position Sensor (TPS) Circuit Diagram
G00330864Courtesy of KIA MOTORS AMERICA, INC.