LEMON Manuals: Even more car manuals for everyone
Home >> Kia >> 2004 >> Optima EX, 2.4 6 >> Repair and Diagnosis >> Engine Performance >> System >> Emission Control System >> Evaporative Emission Control System >> Components

Evaporative Emission Control System: Components

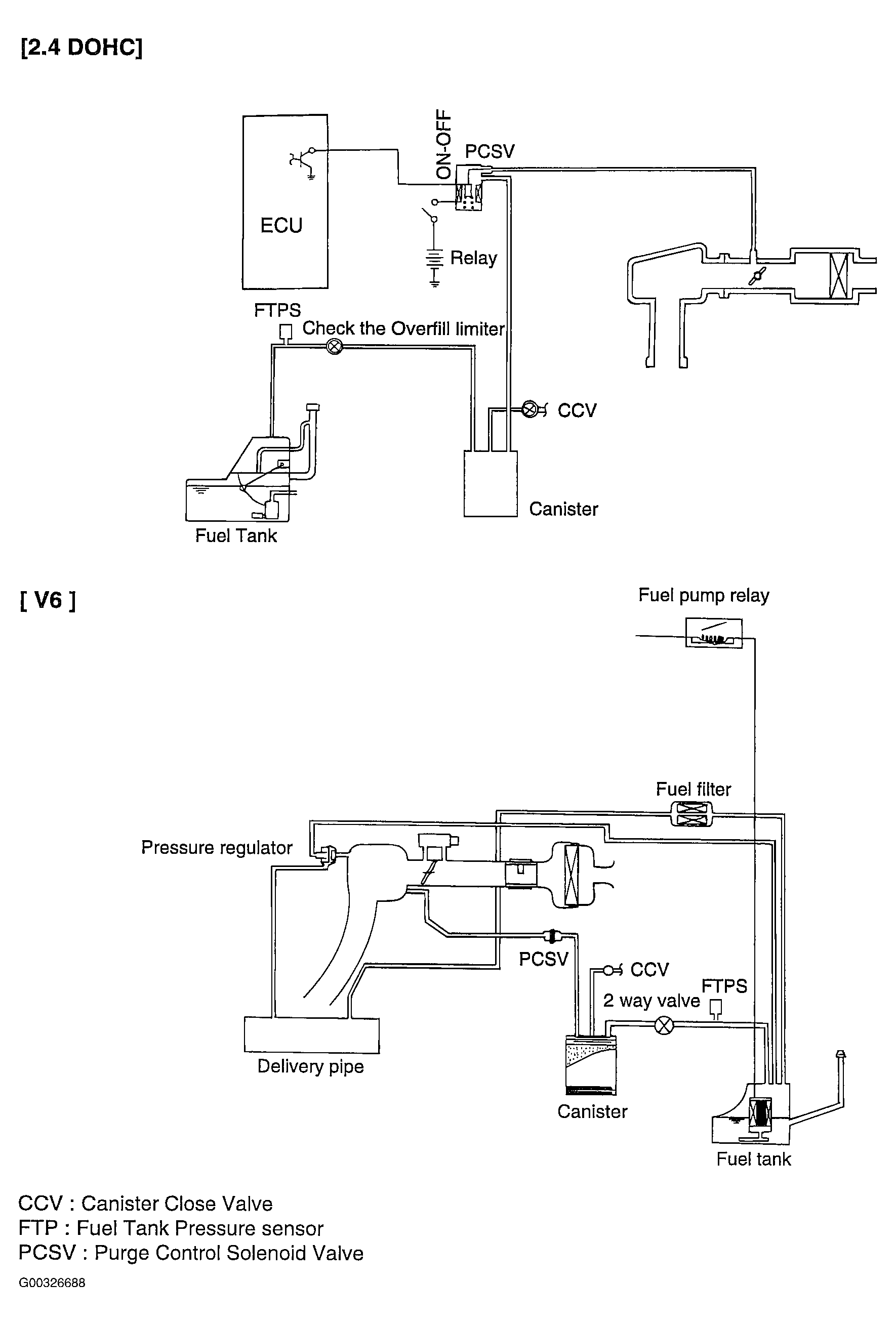
Fig 1: Identifying Evaporative Emission Control System Components
G00326688Courtesy of KIA MOTORS AMERICA, INC.