LEMON Manuals: Even more car manuals for everyone
Home >> Kia >> 2004 >> Amanti >> Repair and Diagnosis >> Engine Performance >> System >> Fuel System & Engine Control System >> MFI Control System >> Fuel Injector >> Circuit Diagram

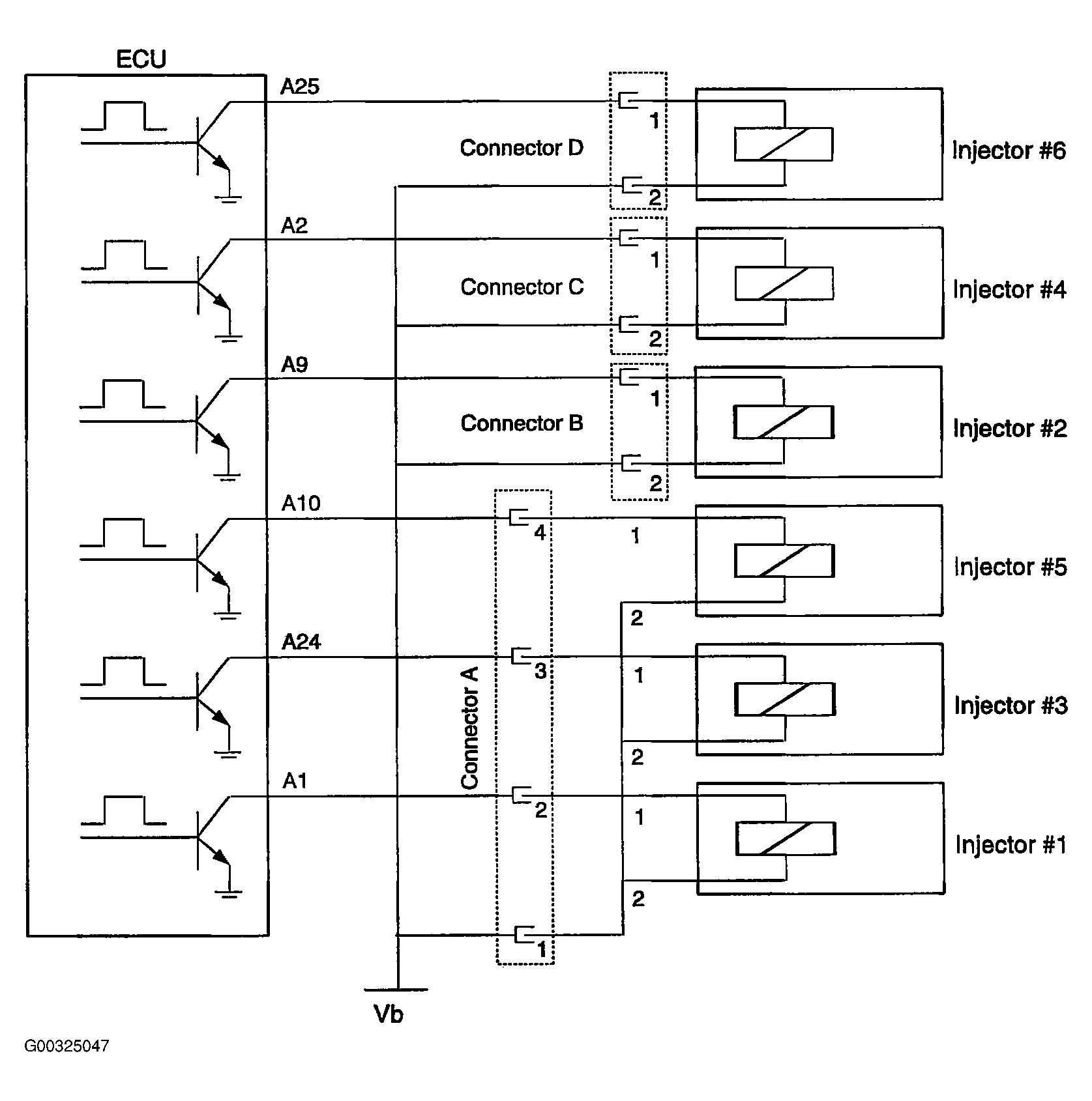
Circuit Diagram

Fig 1: Illustrating Fuel Injector Circuit Diagram
G00325047Courtesy of KIA MOTORS AMERICA, INC.