LEMON Manuals: Even more car manuals for everyone
Home >> Kia >> 2004 >> Amanti >> Repair and Diagnosis >> Engine Performance >> System >> Fuel System & Engine Control System >> MFI Control System >> Crankshaft Position (CKP) Sensor >> Circuit Diagram

Circuit Diagram

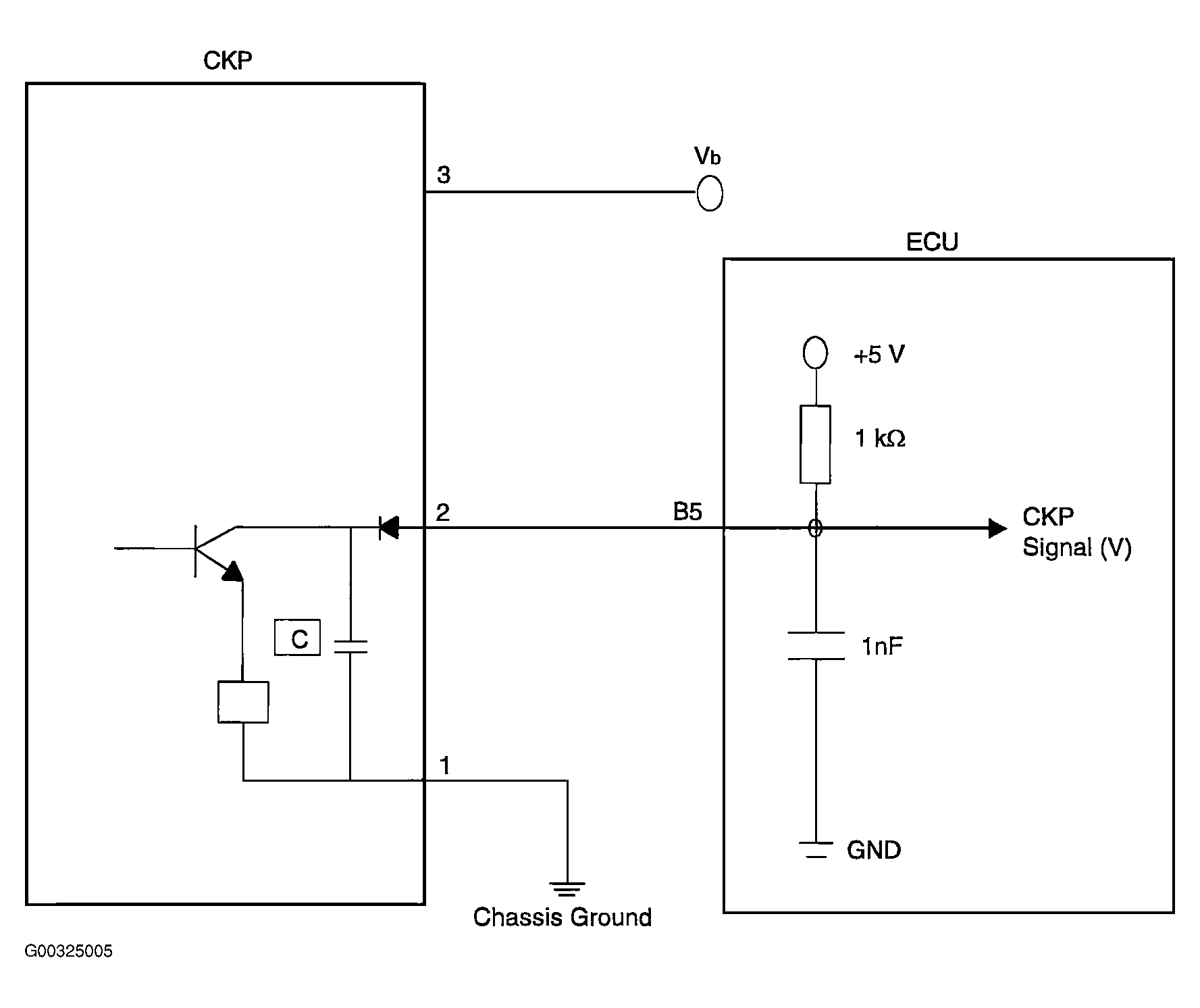
Fig 1: Illustrating CKP Circuit Diagram
G00325005Courtesy of KIA MOTORS AMERICA, INC.