LEMON Manuals: Even more car manuals for everyone
Home >> Kia >> 2004 >> Amanti >> Repair and Diagnosis >> Engine Performance >> System >> Fuel System & Engine Control System >> MFI Control System >> Camshaft Position (TDC) Sensor >> Circuit Diagram And Output Feature

Circuit Diagram And Output Feature

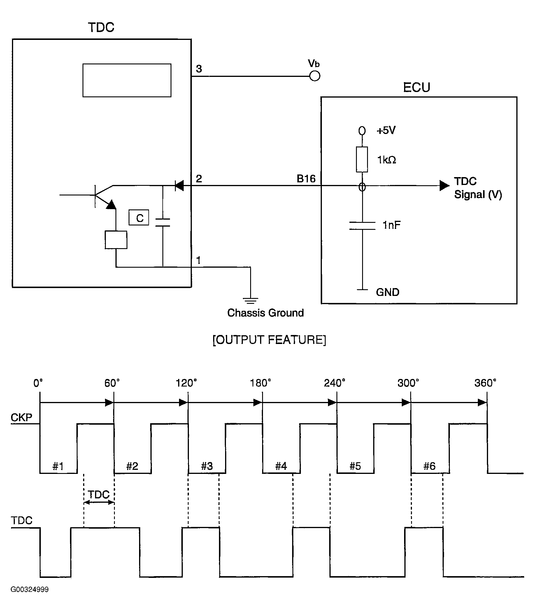
Fig 1: Illustrating TDC Circuit Diagram And Output Feature
G00324999Courtesy of KIA MOTORS AMERICA, INC.