LEMON Manuals: Even more car manuals for everyone
Home >> Kia >> 2003 >> Spectra Base, Automatic >> Repair and Diagnosis >> Engine Performance >> System >> Engine Controls - Basic Diagnostic Procedures >> Fuel System >> Fuel System Relays >> Fuel Pump & Main Relays (Rio)

Fuel Pump & Main Relays (Rio)

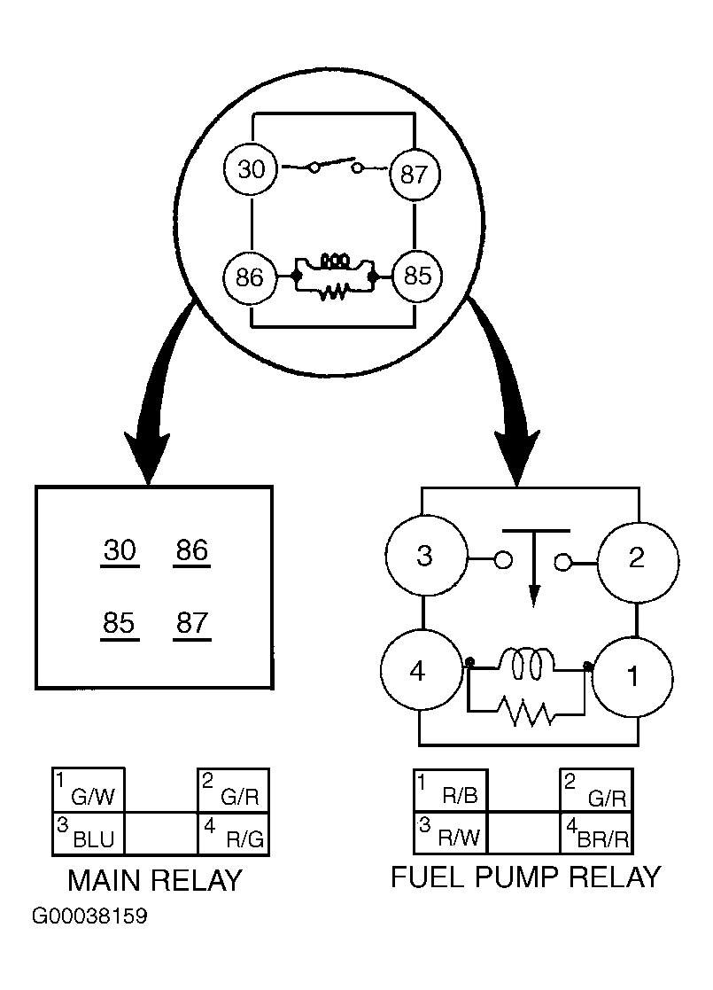
NOTE: Use same procedure to check fuel pump or main relay.
  1. Remove fuel pump or main relays from fuse/relay box. Located at left side of engine compartment. Check for continuity between relay terminals No. 2 and No. 3. See Fig 1. If continuity does not exist, go to next step. If continuity exists, replace relay.
  2. Connect a jumper wire between positive battery terminal and relay terminal No. 1. Connect another jumper wire between negative battery terminal and relay terminal No. 4. Go to next step.
  3. Check continuity between relay terminals No. 2 and No. 3. Continuity should exist. If continuity does not exist, replace relay.
Fig 1: Identifying Fuel Pump & Main Relays, Connector & Terminals (Rio)
G00038159Courtesy of KIA MOTORS AMERICA, INC.