LEMON Manuals: Even more car manuals for everyone
Home >> Jeep >> 2021 >> Gladiator Mojave, Part Time T/Case Control, Automatic Trans >> Repair and Diagnosis >> External Pages >> Different variant/trim >> Section 10 (DRIVEABILITY - Diesel - Non-DTC Based Diagnostics) >> Diagnosis And Testing >> Checking The Pcm Power And Ground Circuits >> Notes

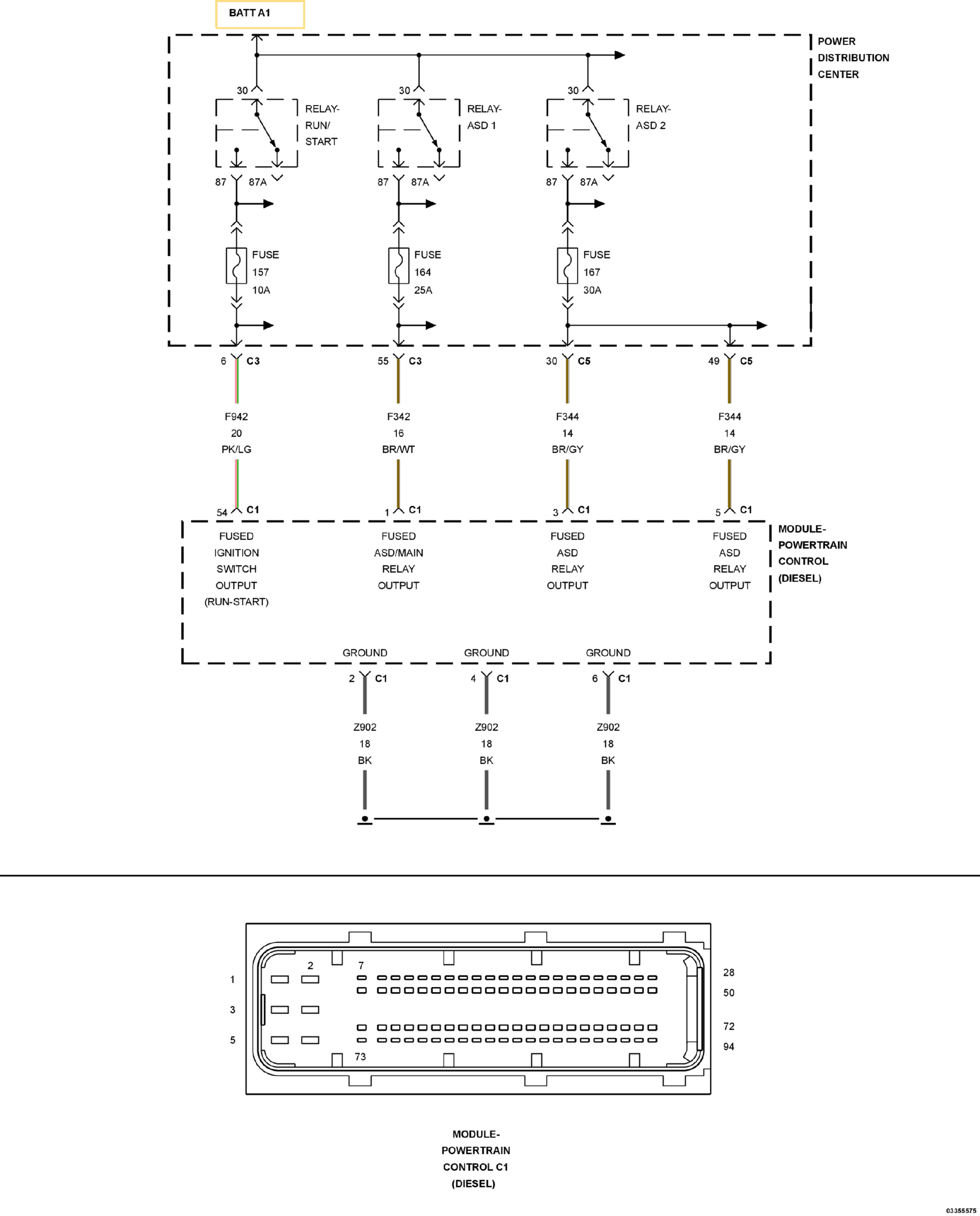
Checking The Pcm Power And Ground Circuits: Notes

WARNING: This page is about a different variant/trim than selected.
GC0142751Courtesy of CHRYSLER GROUP, LLC

For a complete wiring diagram, refer to appropriate SYSTEM WIRING DIAGRAMS article  .

Possible Causes
FUSED ASD RELAY BATTERY SUPPLY CIRCUIT OPEN
(F942) FUSED IGNITION SWITCH OUTPUT (START/RUN) CIRCUIT OPEN
(F942) FUSED IGNITION SWITCH OUTPUT (START/RUN) CIRCUIT SHORTED TO GROUND
(K51) ASD RELAY CONTROL CIRCUIT OPEN/HIGH RESISTANCE
ASD RELAY OUTPUT CIRCUIT(S) OPEN/HIGH RESISTANCE
ASD RELAY OUTPUT CIRCUIT(S) SHORTED TO GROUND
PCM GROUND CIRCUIT(S) OPEN/HIGH RESISTANCE
ASD RELAY