LEMON Manuals: Even more car manuals for everyone
Home >> Jeep >> 2013 >> Wrangler Sport, Automatic Trans >> Repair and Diagnosis >> Transmission >> Transmission Control Systems >> (Transmission Control Module (TCM) - Electrical Diagnostics) >> DTC Troubleshooting >> P0604-Internal Control Module Ram >> Notes

P0604-Internal Control Module Ram: Notes

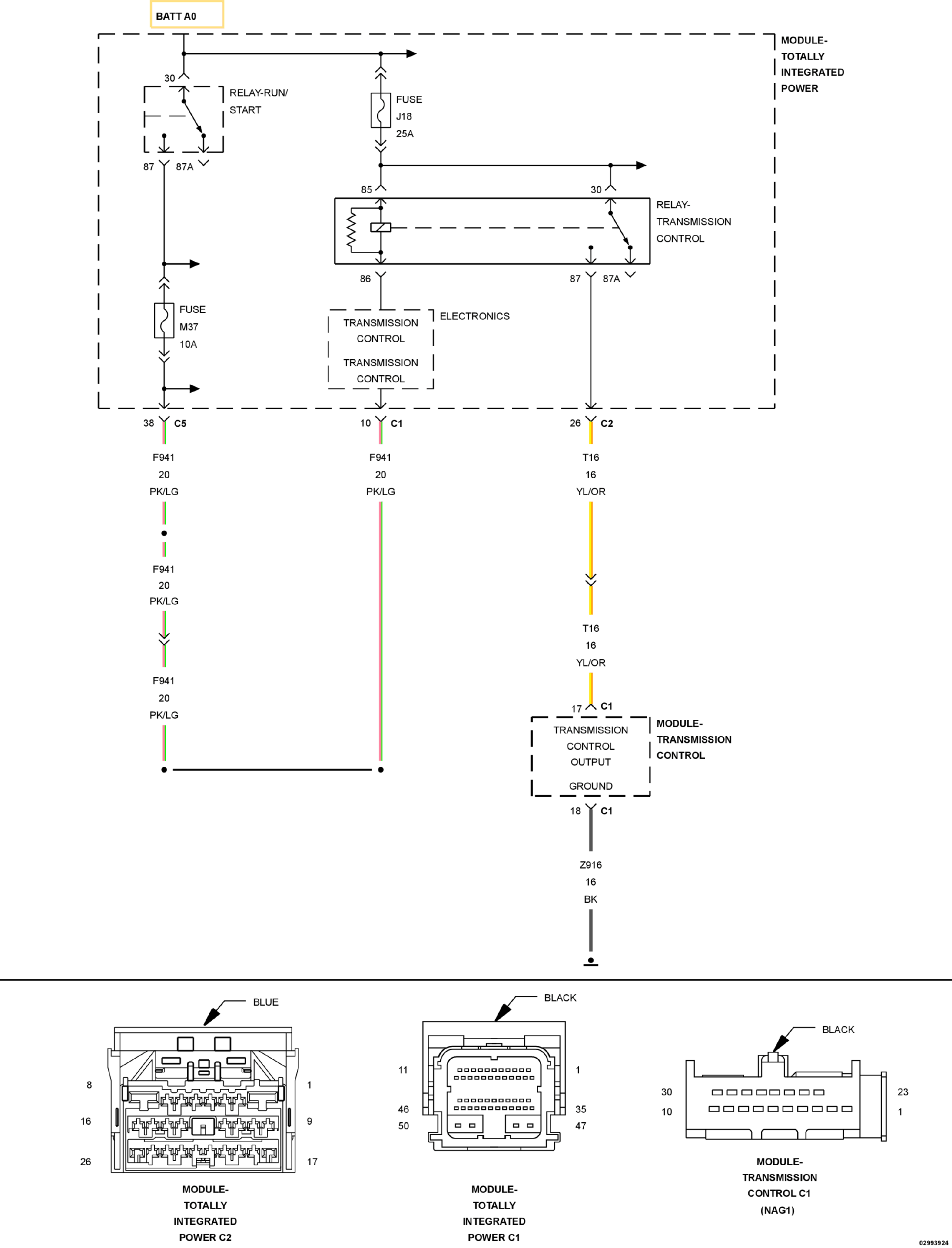
Fig 1: Transmission Control Module Circuit Wiring Diagram
GC0149328Courtesy of CHRYSLER GROUP, LLC

For a complete wiring diagram, refer to appropriate SYSTEM WIRING DIAGRAMS article  .