LEMON Manuals: Even more car manuals for everyone
Home >> Jeep >> 2013 >> Grand Cherokee Laredo, AWD >> Repair and Diagnosis >> Transmission >> Transmission Control Systems >> (Transmission Control Module (TCM) - Electrical Diagnostics) >> DTC Troubleshooting >> P2767-Input Speed Sensor 2 Circuit No Signal >> Notes

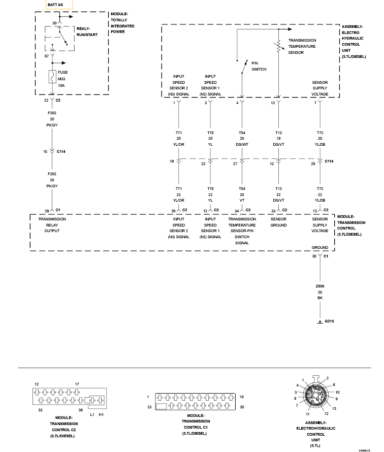
P2767-Input Speed Sensor 2 Circuit No Signal: Notes

Fig 1: Electrohydraulic Control Unit Circuit Diagram
GC0151263Courtesy of CHRYSLER GROUP, LLC

For a complete wiring diagram, refer to appropriate SYSTEM WIRING DIAGRAMS article  .