LEMON Manuals: Even more car manuals for everyone
Home >> Jeep >> 2013 >> Compass Limited, FWD >> Repair and Diagnosis >> External Pages >> Different car >> Section 186 (Memory Seat Module (MSMD) - Electrical Diagnostics) >> DTC Troubleshooting >> U0011-00-Can Interior Bus Off Performance >> Notes

U0011-00-Can Interior Bus Off Performance: Notes

WARNING: This page is about a different car, the 2012 Jeep Liberty. However, it is still accessible from the selected car via links, so may be relevant.
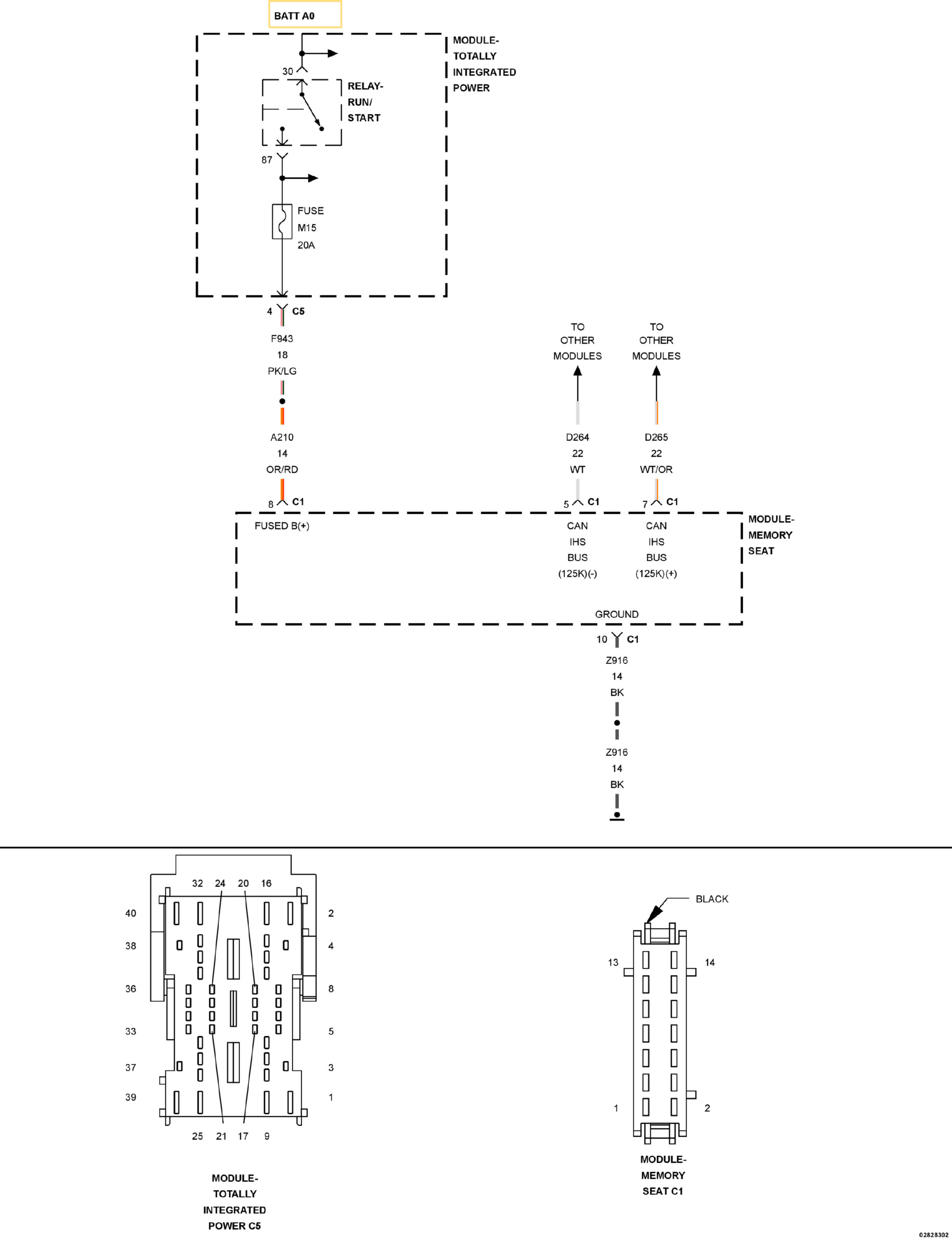
Fig 1: Memory Seat Module Power Supply Wiring Diagram
GC0151180Courtesy of CHRYSLER GROUP, LLC

For a complete wiring diagram, refer to appropriate SYSTEM WIRING DIAGRAMS article  .