LEMON Manuals: Even more car manuals for everyone
Home >> Jeep >> 2013 >> Compass Limited, AWD, Trans Mfr CD CVT2 >> Repair and Diagnosis >> External Pages >> Different car >> Section 63 (Powertrain Control Module (Pcm) - Electrical Diagnostics - 42RLE Automatic Transmission) >> DTC Troubleshooting >> P0935-Line Pressure Sensor Circuit High >> Circuit Schematic

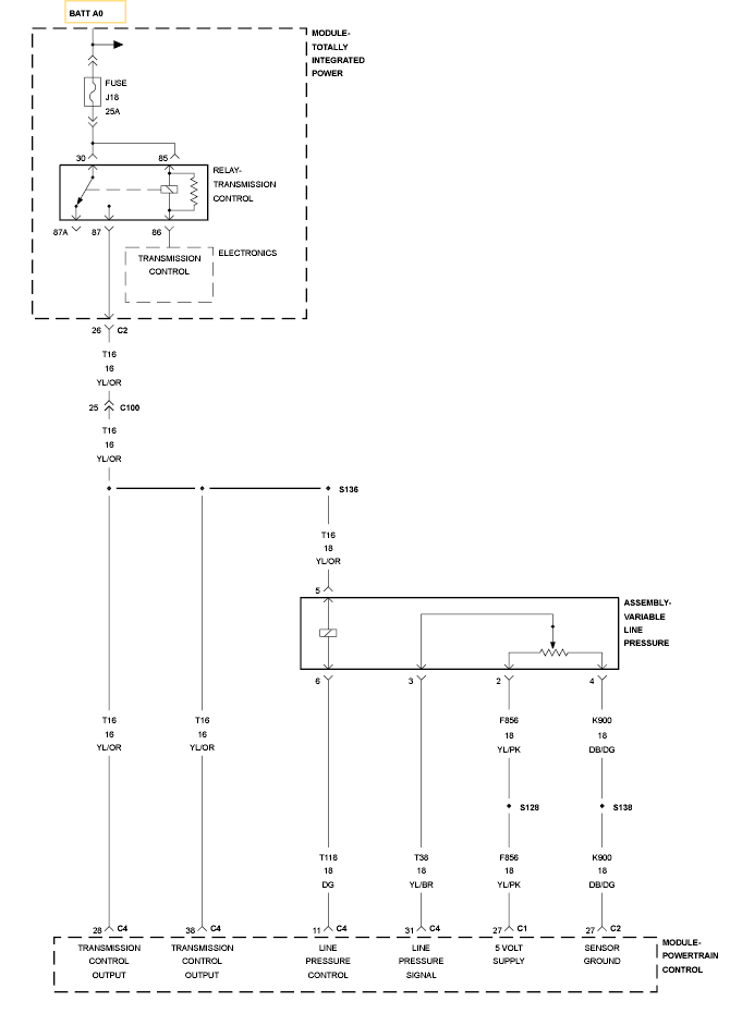
Circuit Schematic

WARNING: This page is about a different car, the 2009 Jeep Liberty. However, it is still accessible from the selected car via links, so may be relevant.
Fig 1: LINE PRESSURE SENSOR CIRCUIT SCHEMATIC
GC0102099Courtesy of CHRYSLER LLC